流线型设计原理

2mm直径的管 内空气-水垂直向上流 的两相流流型判别图, 实验的压力
图片尺寸1080x810
电动汽车多功能充电变流器设计方案
图片尺寸2931x1227
流线分析
图片尺寸1200x848
室内流线图 主要路线 次要路线
图片尺寸1080x810
基于噪声检测的反接制动控制电气线路制造技术
图片尺寸996x1000
本实用新型涉及一种控制电路,具体涉及一种加密启停控制电路.
图片尺寸1000x964
世界现代设计史考研78流线型运动名词解释
图片尺寸960x1279
一些高级的吊顶流线型设计婚礼素材
图片尺寸852x1136
电流真是在电线表面流动的吗
图片尺寸1080x660
深度学习的几何观点(1) - 流形分布定律
图片尺寸1080x721
流线(steam line): 在流体中作一系列曲线,使这些曲线上 任一点的切线
图片尺寸1080x810
7-流线分析
图片尺寸3150x1527
本实用新型属于检定流水线领域.
图片尺寸741x1000
电流环设计
图片尺寸833x518
cn111987739a_风电变流器在审
图片尺寸2012x747
叶轮内的流线是空间流线,该曲线的空间投影称为轴面流线.
图片尺寸456x473
设计感流线型车架设计
图片尺寸1080x1003
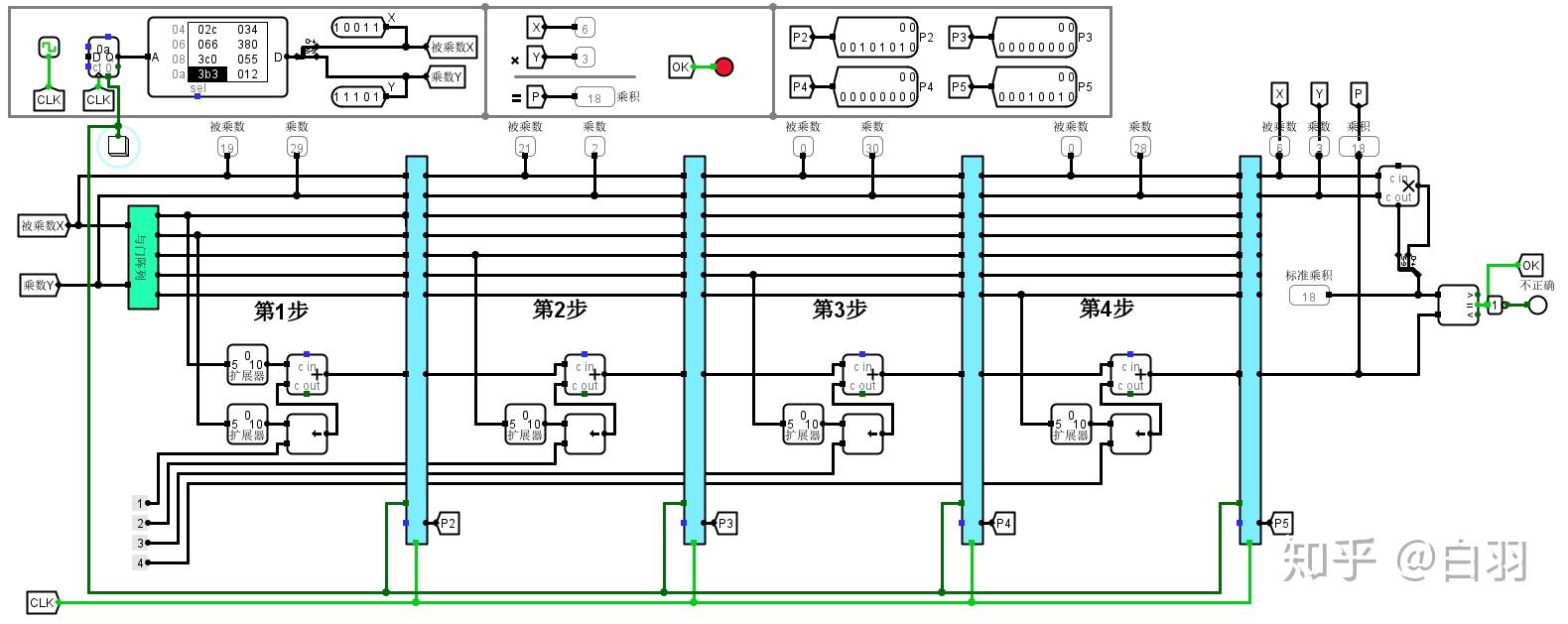
由此可设计电路.
图片尺寸1580x629
cn212106167u_一种液路流量控制系统有效
图片尺寸1827x950
液体动力学 一,基本概念 (一)理想液体,恒定流动和一维流动 (二)流线
图片尺寸1080x810