浊度仪安装图

浊度仪与水样采集糸统,水样出水及清洁排污等所有构件都安装在同一块
图片尺寸1765x2904
浊度仪stz-a2型在线
图片尺寸658x371
米科在线浊度仪检测仪mlss悬浮物污泥浓度计水质分析浑浊度传感器
图片尺寸800x800
在线中文浊度仪在线浊度计浊度在线监测仪挂壁式
图片尺寸750x750
水质仪表安装方式.jpg
图片尺寸576x300
浊度仪沉入式安装
图片尺寸1060x455
意大利bc在线污泥浓度tu7685ss浊度仪安装手册
图片尺寸847x563
投放式浊度仪
图片尺寸589x483
美国哈希1720e低量程在线浊度仪浊度计
图片尺寸600x600
机电设备部完成一水厂4台浊度仪安装改造工作--江苏联合水务科技股份
图片尺寸600x338
hach 1720e 在线浊度仪使用案例
图片尺寸550x335
在线浊度仪 低浊度测量仪 浊度仪 北京
图片尺寸585x314
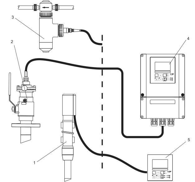
在线投放式浊度仪电路安装示意图
图片尺寸700x593
德国amer在线浊度计进口浊度仪oum223oum253
图片尺寸627x583
2100n 美国哈希2100n实验室台式浊度仪(0-4000ntu)
图片尺寸647x335
博飞水准仪出库 - 抖音
图片尺寸934x1328
1720e 低量程浊度仪
图片尺寸757x598
德国eh–cua262浊度测量安装支架
图片尺寸418x516
电除尘浊度仪216,290安装调试指南_第3页
图片尺寸1240x1753
在线浊度仪型号wr520-2z-上海武锐自动化设备有限公司
图片尺寸776x716