测线仪电路图

实用网线测试仪电路
图片尺寸840x754
该网线测试仪电路由延时控制电路,分频控制电路和led指示电路组成
图片尺寸3032x1516
回路电阻测试仪接线及操作说明
图片尺寸463x318
20元一个的网线测试仪电路
图片尺寸507x447
导线断路测量仪电路
图片尺寸1711x741
能手牌网线测试器原理图
图片尺寸1736x891
一种直流供电设备巡线仪测试电路的制作方法
图片尺寸1000x519
cn100409017c_多功能电缆测线仪的测试电路失效
图片尺寸1976x1060
网络自动测试器电电路工作原理图
图片尺寸854x654
测试电路
图片尺寸518x347
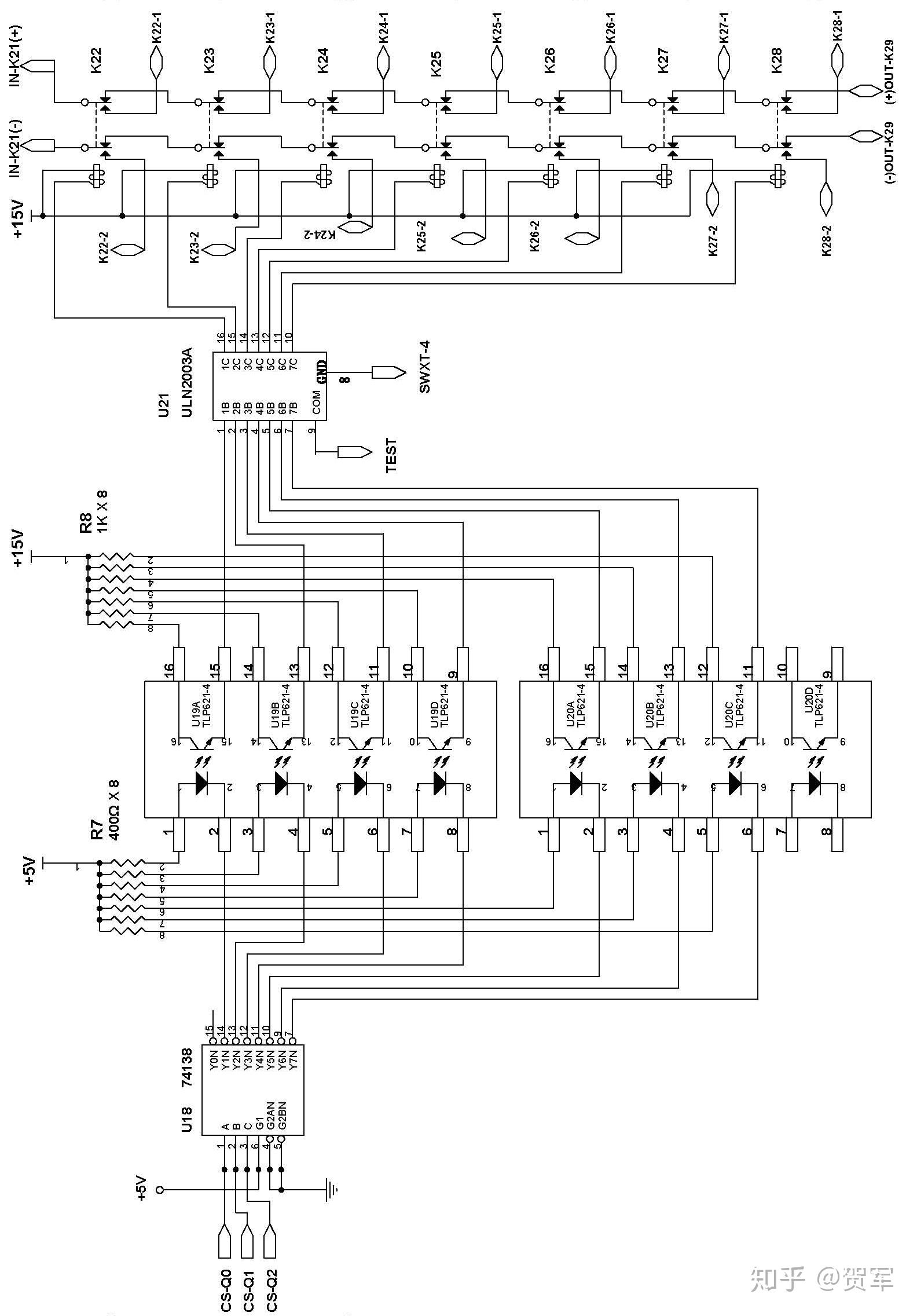
电路如下图所示下:电压测量42路继电器矩阵交换的第36号到第42号
图片尺寸1584x2272
电力地埋线漏电故障测准仪的制作方法与工艺
图片尺寸583x468
异频线路参数测试仪接线步骤及接线方法
图片尺寸484x242
记住这张原理图,测量电路其实也没那么难
图片尺寸550x345
多功能导电能力测试仪电路
图片尺寸1485x934
输电线路异频参数测试仪功能及测量
图片尺寸350x226
免费文档 所有分类 工程科技 电子/电路 线圈测量仪的调试与校正 x 了
图片尺寸1006x645
网线测试仪电路图
图片尺寸588x388
cd4017网线自动测试器
图片尺寸529x401
如何正确安装三相四线有功电度表经三只电流互感器测量电路
图片尺寸500x533