消磁电路图

一种直流反激式脉冲型消磁主控电路的制作方法
图片尺寸1000x536
一种电力变压器消磁电路的制作方法
图片尺寸1000x909
cn101453658b_一种消磁控制电路,消磁控制装置及电视机失效
图片尺寸1971x1425
二极管给脉冲变压器消磁?
图片尺寸474x260
消磁_电路
图片尺寸657x342
cn212624993u_一种连接有断电消磁电路的电磁铁
图片尺寸1920x1457
一个消磁电路的问题
图片尺寸512x384
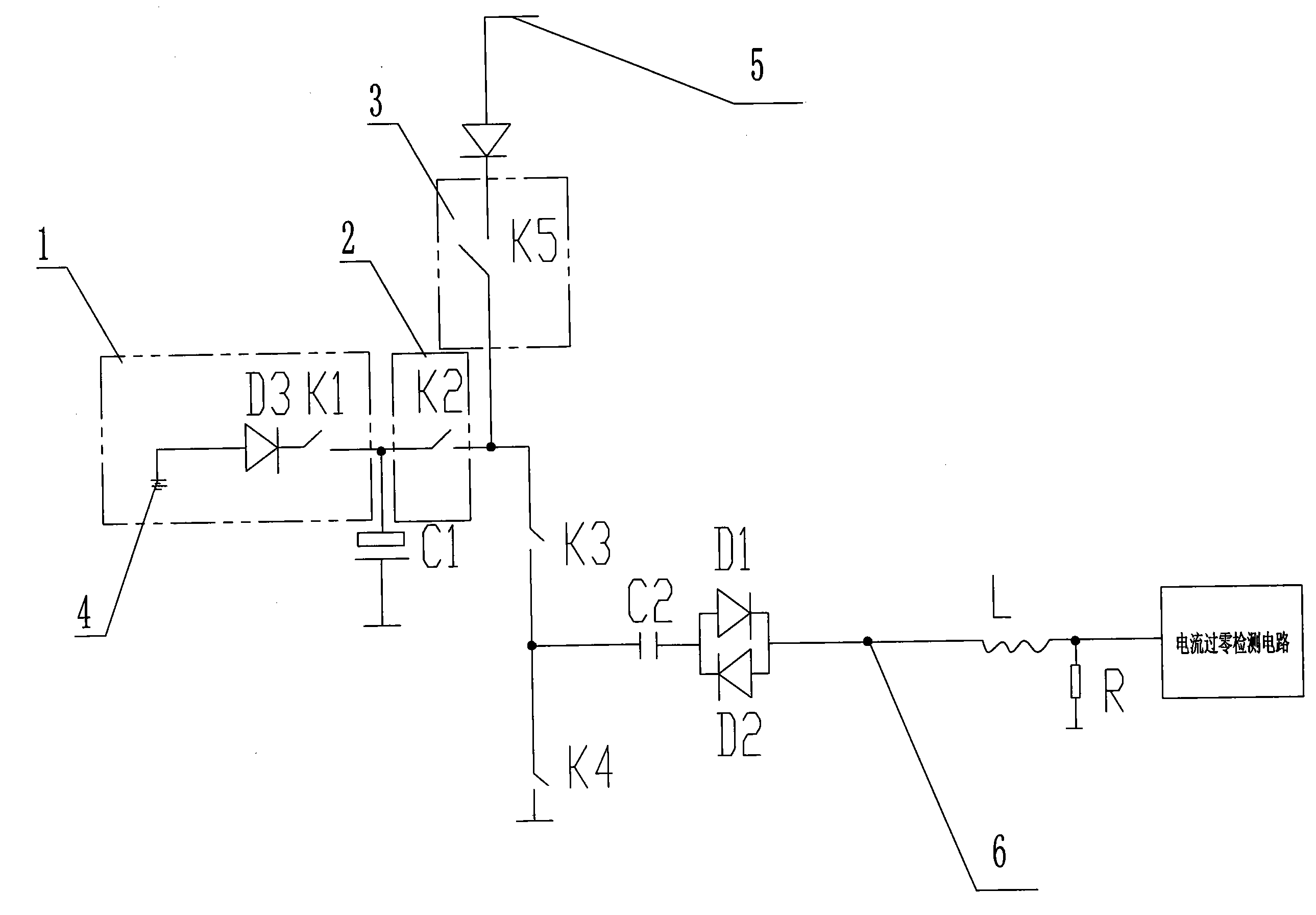
以及与线圈串联的谐振电容,线圈的电流过零检测电路,所述消磁装置还
图片尺寸2578x1792
铣床电磁吸盘快速消磁电路
图片尺寸894x748
彩色电视机自动消磁电路图
图片尺寸390x339
电力系统消磁装置
图片尺寸537x262
一种自由振荡式电力变压器快速消磁电路
图片尺寸1798x639
开关电源变压器怎么消磁
图片尺寸456x316
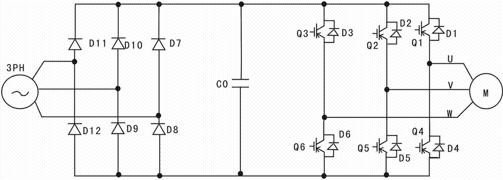
三相鼠笼式电机自由停机的消磁电路及方法
图片尺寸1000x359
小型消磁器电路
图片尺寸657x342
磁带消磁器电路图
图片尺寸431x594
图1 爱国者pa55a/as 彩显受控消磁电路图
图片尺寸394x277
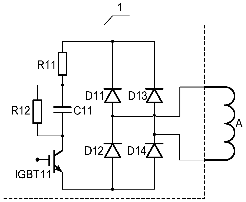
一种无刷直流电机消磁控制装置及其实现方法
图片尺寸1031x845
消磁
图片尺寸472x472
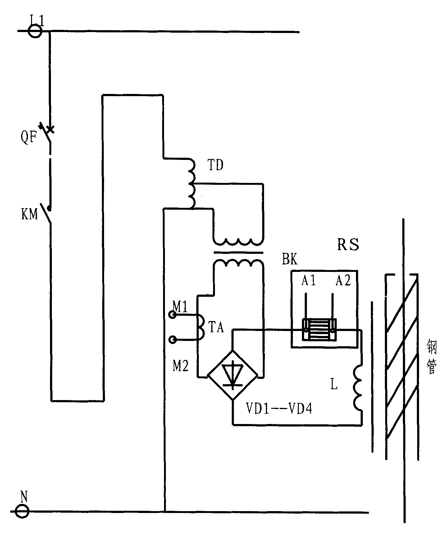
螺旋焊管的消磁方法及装置
图片尺寸1439x1723