消谐器电气图

一次消谐器图纸符号
图片尺寸1061x2022
消弧组件,单片机控制器及pt电压互感器及非线性电阻消谐器,过电压保护
图片尺寸1612x888
资讯_消谐器,微机消谐,微机消谐装置,二次消谐,一次消谐
图片尺寸816x620
电气消谐:电力系统常见消谐方案
图片尺寸773x819
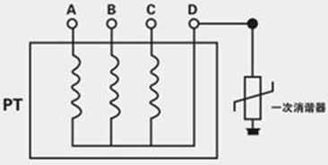
一次消谐器
图片尺寸366x184
图文并茂带您进入一次消谐器的世界
图片尺寸489x366
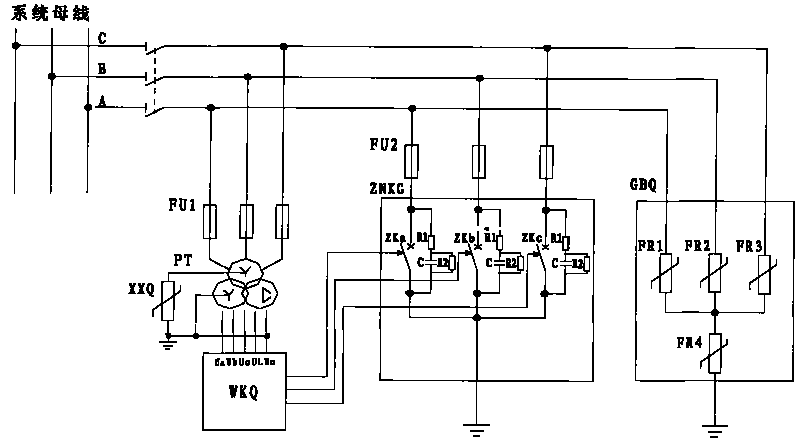
附件2,sk-wxg微机消谐装置典型接线图 九,模拟实验 2 ,操作
图片尺寸750x964
消谐装置
图片尺寸584x549
帕维尔 lxq一次消谐器中性点用消谐电阻器电压互感器
图片尺寸750x604
一次消谐器的消谐原理,你了解多少?
图片尺寸483x203
微机消弧消谐选线装置失效
图片尺寸1876x1268
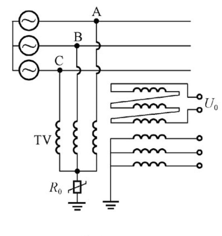
背景技术:常规二次消谐装置均以pt
图片尺寸550x559
hyr-10一次消谐器
图片尺寸687x373
消谐器符号怎么画
图片尺寸171x180
一种消弧装置的制作方法
图片尺寸1741x2184
消弧和消谐的工作原理详解
图片尺寸526x300
lxq3-35接线图 lxq3-35原理一次消谐器中汇电气
图片尺寸615x576
yaj-rx二次微机消谐装置
图片尺寸544x564
图片尺寸759x607
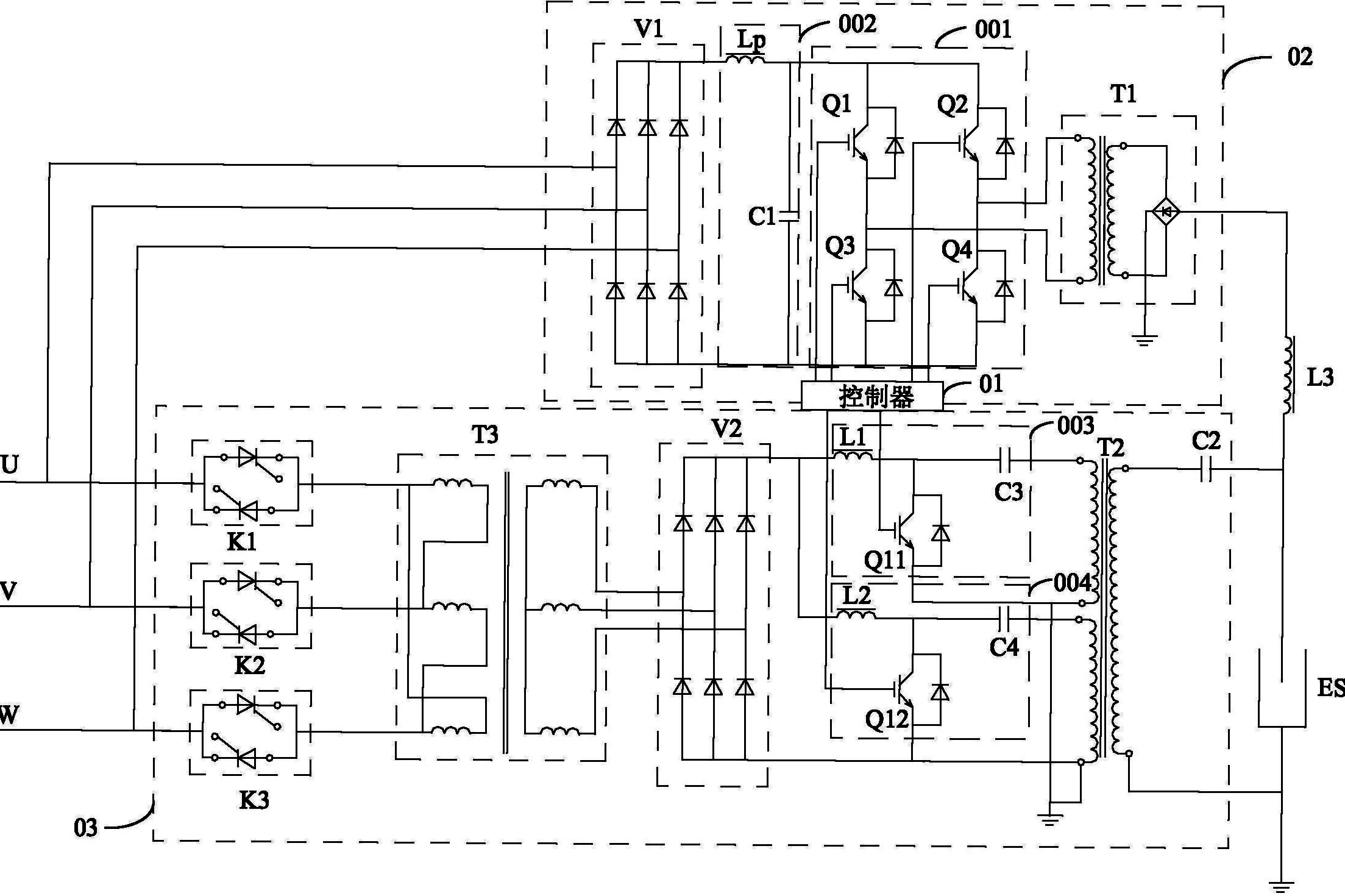
一种除尘用叠加式电源控制系统
图片尺寸2207x1470