消防水泵接线图

消防泵的接线
图片尺寸600x424
来源:消防工程工程壹家整理编辑版权归原作者所有 如有侵权请联系我们
图片尺寸868x1203
消防泵电路图pdf1页
图片尺寸792x1121
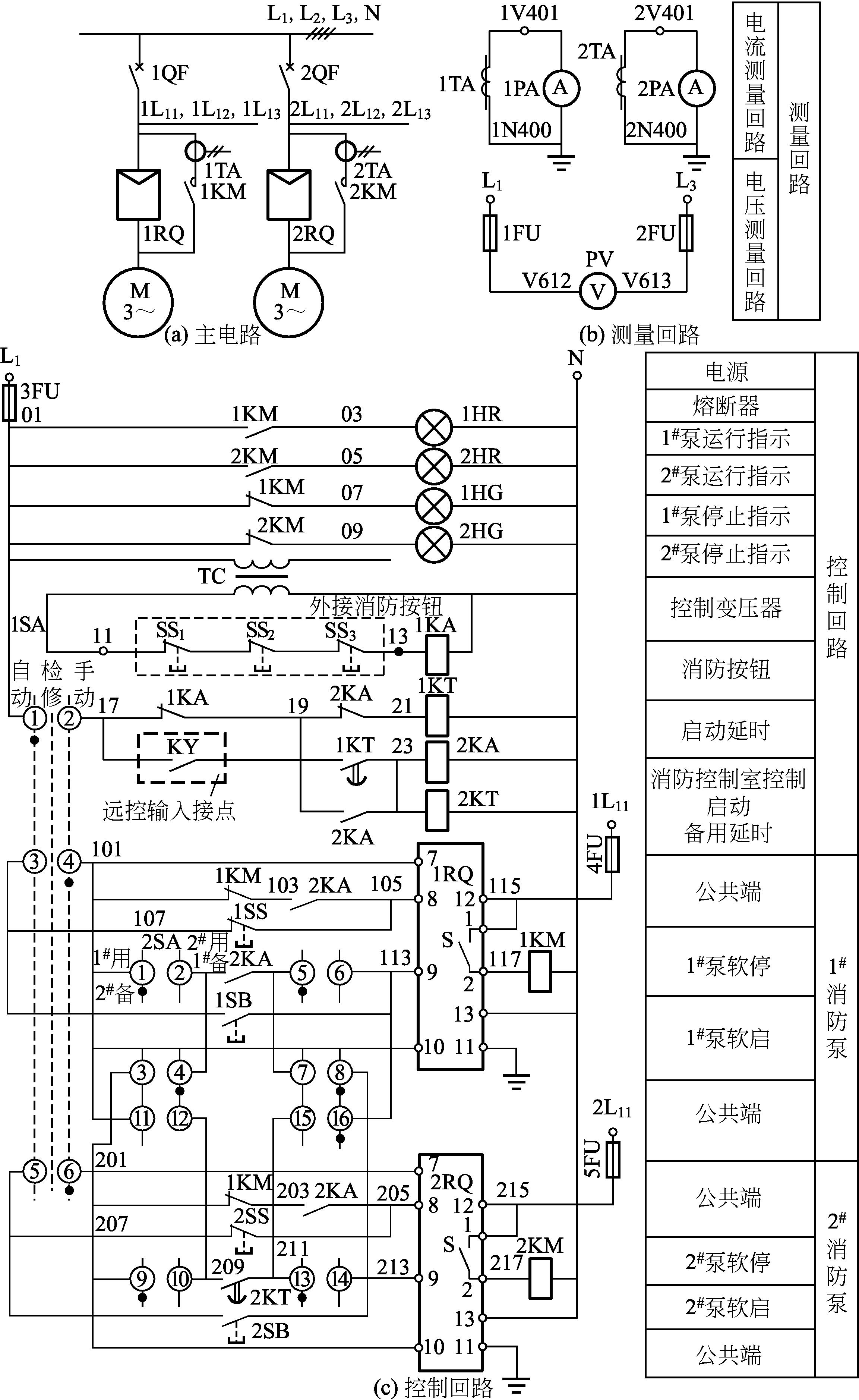
消防水泵控制柜处于手动状态,消防联动控制器和手动控制盘可以手动启
图片尺寸759x632
消防泵一用一备接线图,消防水泵一用一备二次控制原理接线图-长沙中联
图片尺寸1045x726
2.2 水泵经济运行计算
图片尺寸2305x3755
液位继电器自动控制水泵实验接线图
图片尺寸1080x675
一用一备水泵控制线路接线图!
图片尺寸960x1280
消防泵(一用一备)软启动控制电路c
图片尺寸775x1042
北大青鸟消防模块接线现场图解
图片尺寸510x332
消防泵两用一备软启动器控制电路c
图片尺寸804x1047
消防或喷淋水泵一主一备控制原理图_接线图分享
图片尺寸394x385
220接触器接380水泵怎么接线图
图片尺寸720x540
消防水泵双电源接线图
图片尺寸1646x1186
一备一用水泵,一用一备水泵接线图,水泵一用一备电路接线图-长沙中联
图片尺寸600x412
消防水泵一用一备电路图,你还不会理解吗?看完本文让你茅塞顿开
图片尺寸1200x843
消防泵与北大青鸟远程控制模块怎么接线
图片尺寸1040x780
消防栓用消防泵控制电路
图片尺寸600x464
消防泵控制器gyxf3100-2xp接线图
图片尺寸881x975
福赛尔:v6661消火栓按钮接线方法的不同方案 - 消防百事通
图片尺寸634x331