液体检测仪原理

微生物监测技术的新发展
图片尺寸773x678
dma-80 型直接测汞仪的工作原理图
图片尺寸341x271
卡尔费休水分测定仪培训讲稿ppt正式
图片尺寸800x600
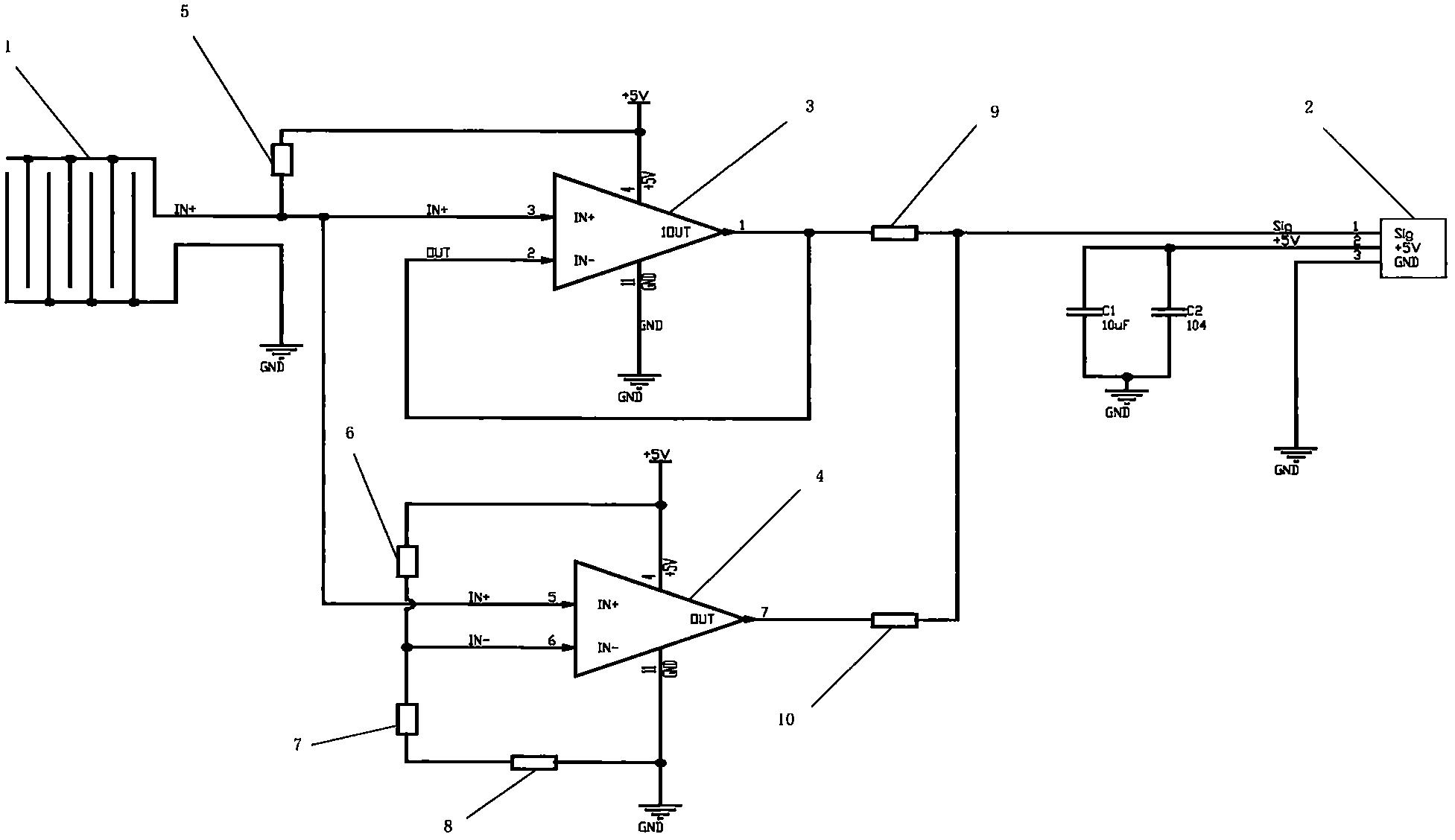
一种酒精测试仪的制作方法
图片尺寸1000x852
专利产品 双屏数显 酒精测试器/检测仪 6889 alcohol tester
图片尺寸758x509
cn101598700a_一种复合气体检测仪失效
图片尺寸2270x1843
在线水质检测装置-爱企查
图片尺寸1974x1126
带样品蒸发器的akf-bt2020c检测原理
图片尺寸448x665
水分测定仪是能够检测各类有机及无机液体等样品中含水率的仪器.
图片尺寸444x416
一种浑浊度在线实时检测装置
图片尺寸1804x1229
游泳池水质在线水质检测仪的安装方法
图片尺寸640x383
仪表网
图片尺寸811x436
产地货源批发电动洗浴头气密性检测仪便携式真空气体检漏仪批发
图片尺寸600x384
生化分析仪原理
图片尺寸660x486
气密性检测仪检测原理
图片尺寸750x937
液体静力水准测量原理图 用于液体静力水准测量的仪器称为液体静力
图片尺寸527x372
深圳瑞特洗衣机水泵密封性能测试仪精密气密性检测仪压差式
图片尺寸750x750
包括集成电路,与集成电路连接的pc端,液晶显示屏以及待检测液体容器
图片尺寸1592x1392
高性能全自动压汞仪(mip)检测,基本原理,样品要求,数据分析
图片尺寸616x408
一种全自动生化仪漏液检测装置-爱企查
图片尺寸1953x1128