液体空分流程图

空分技术研讨会召开,推动行业交流与进步
图片尺寸1006x666
空分工艺流程图
图片尺寸1240x1753
| 空分装置中的密封材料
图片尺寸3480x2313
空分过程气体分析系统中 o2,co2,ar,h2 ,露点等气体的检测
图片尺寸773x558
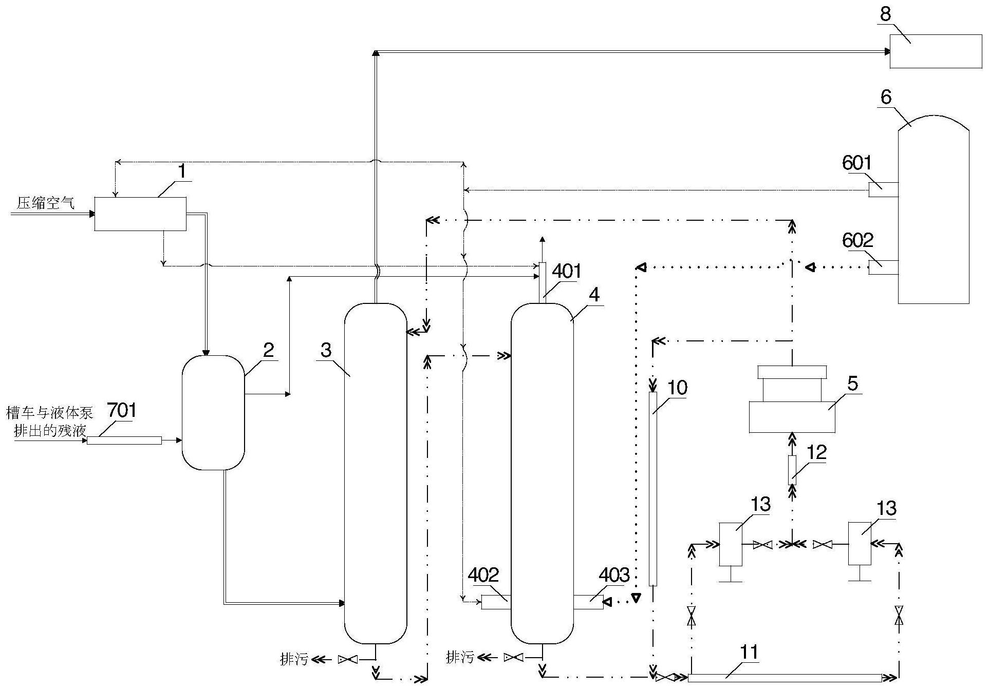
大液体量制取的空分装置及方法与流程
图片尺寸1000x603
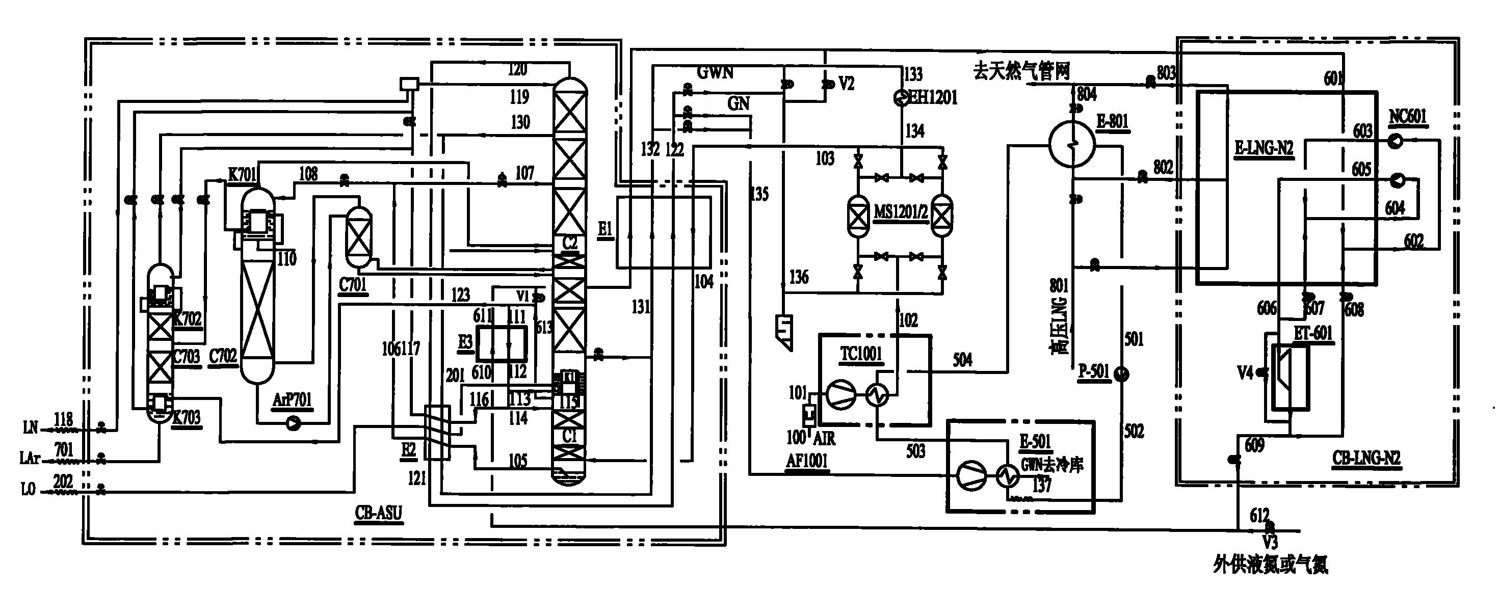
一种高效利用液化天然气冷能的空分系统
图片尺寸2941x1207
空分工艺流程彩图
图片尺寸1080x810
空分装置各种流程
图片尺寸451x287
空分生产工艺过程ppt
图片尺寸1080x810
本公司专业生产空分设备,制氮机,制氧机
图片尺寸2140x806
分子筛在空分装置中的神奇作用 🌬️
图片尺寸1336x672
空分技术研讨会召开,推动行业交流与进步
图片尺寸634x390
图1 冷能空分流程示意图三, 液态空气储能液态空气储能适用温度为
图片尺寸1080x619
一种应用于空分系统中的循环水系统
图片尺寸1925x1344
空分工艺流程演示动画视频全集
图片尺寸768x576
48000m~3h空分设备的流程选择
图片尺寸1904x1101
空分技术研讨会召开,推动行业交流与进步
图片尺寸752x491
中央空调空气能热泵储液罐储液器气液分离器汽液分
图片尺寸800x800
四川空分设备空分流程简述
图片尺寸556x500
深冷空分工艺流程
图片尺寸1024x427