液压卡盘工作原理

液压卡盘的准备安装调试工作指南
图片尺寸488x395
液压卡盘的安装方法步骤
图片尺寸750x401
cn101693301b_夹紧力多级可调的液压动力卡盘有效
图片尺寸2039x1341
非标型法兰安装液压卡盘
图片尺寸981x927
液压卡盘结构图(以三爪卡盘为例)液压卡盘工作原理演示▼时长01:52,请
图片尺寸492x310
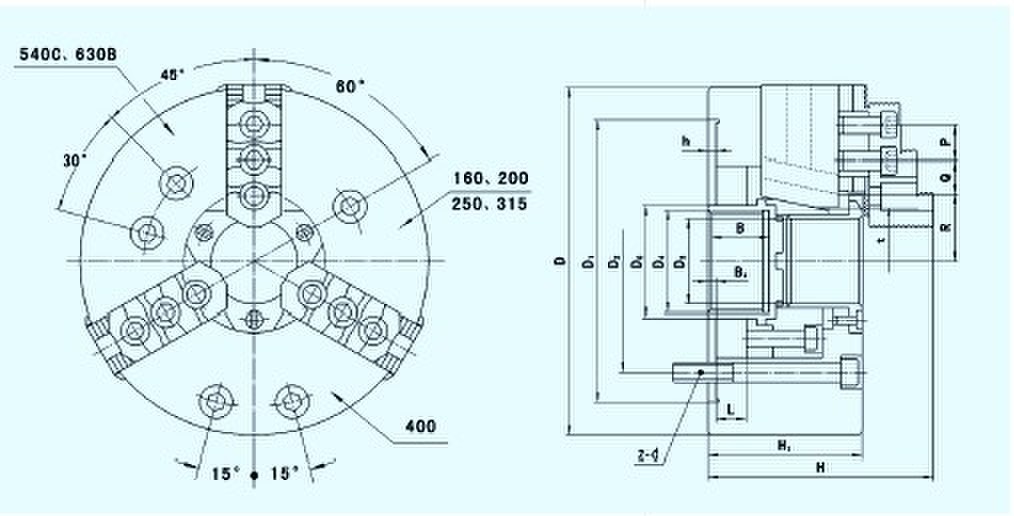
数控车床手动卡盘改液压卡盘方案,液压卡盘多少钱?
图片尺寸1024x724
液压卡盘结构及工作原理
图片尺寸893x414
了解常见的中空液压卡盘怎么使用后再把它拆开
图片尺寸720x441
液压卡盘结构图(以三爪卡盘为例)液压卡盘工作原理演示▼时长01:52,请
图片尺寸300x232
车床主轴(液压三爪卡盘,弹簧夹套)内部机械结构图(原理)
图片尺寸527x502
液压卡盘结构及工作原理
图片尺寸344x366
液压三爪卡盘的设计含cad零件图装配图
图片尺寸676x756
cn201581831u_全液压岩心钻机的液压卡盘防松装置有效
图片尺寸1721x1231
液压卡盘的相册图片-常州数控车床改造有限公司
图片尺寸420x319
k52中空液压卡盘呼和浩特众环
图片尺寸1014x516
谁能给我发张液压三爪卡盘的的零件图(cad),要2个视图的
图片尺寸791x510
图3-5 液压卡盘结构示意图
图片尺寸1697x828
五爪卡瓦液压卡盘的制作方法
图片尺寸1000x875
thw plus 型卡盘为雄克高精度动力卡盘,采用斜齿条滑块式工作原理
图片尺寸638x475
工作原理,夹爪的调整以及夹紧力的计算 四爪液压卡盘原理
图片尺寸1664x2338