液压夹具油路设计

液压夹具装配图pdf
图片尺寸800x568
液压夹具的设计与调试
图片尺寸619x729
钻床夹紧装置液压驱动回路设计大学生毕业设计论文.doc
图片尺寸2936x2478
液压夹具内藏式油路设计思路讲解
图片尺寸738x519
换挡臂铣槽夹具设计
图片尺寸820x577
液压传动 帮我解释一个液压油路图.
图片尺寸678x695
液压系统设计
图片尺寸820x603
叉车液压系统油路主油路南宁合力叉车销售玉洞劲擎机械公司
图片尺寸500x459
夹研外包设计案例动力转向泵支架液压夹具
图片尺寸1280x720
数控铣床夹紧装置液压系统设计
图片尺寸1200x800
液压夹具内藏式油路设计思路讲解
图片尺寸660x372
五轴液压夹具设计
图片尺寸820x544
带双液压缸的滚齿夹具结构设计
图片尺寸820x583
本发明涉及液压夹具控制油路技术领域,特别是涉及一种装有安全阀的
图片尺寸1000x470
80钻夹紧液压原理图_cad图纸/二维图纸下载
图片尺寸1016x452
2,Φ25.5孔夹具设计
图片尺寸1200x800
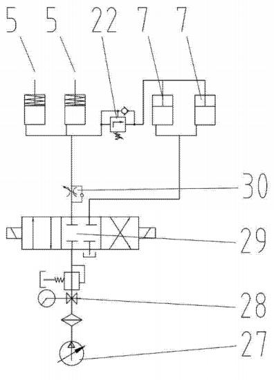
图6 夹具油路原理图5.顶紧缸 7.压紧缸 22.顺序阀 27.液压站 28.
图片尺寸396x549
油路块三维模型液压泵电机三维模型压力表三维模型图纸参数图纸id
图片尺寸658x554
液压夹具内藏式油路设计思路讲解
图片尺寸660x373
液压油缸低压17kg如何实现保压
图片尺寸1600x1280