深沟球轴承图纸

求深沟球轴承6206的cad文件!
图片尺寸2401x3151
6902 zzn--深沟球轴承-60000-2zn(250000)外圈带止动槽两面带防尘盖的
图片尺寸714x1215
厂家批发发汽车 面包车电机轴承949100-3360 949100-3480
图片尺寸790x1173
6.1.1 设计背景 工业钻孔机需要使用一组深沟球轴承,其图纸如图6.
图片尺寸622x391
6205-rs/c3--深沟球轴承-60000-rs(160000)一面带骨架式橡胶密封圈
图片尺寸794x1215
深沟球轴承的规定标记及其在装配图中的画法图
图片尺寸890x296
求带防尘盖的深沟球轴承画法,有图,结构清楚最好
图片尺寸1230x660
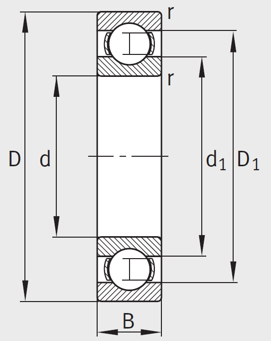
单列单开式深沟球轴承 6332-m
图片尺寸544x683
作为一名专业轴承制造商,我们生产各种深沟球轴承,特别是不锈钢深沟球
图片尺寸2183x3087
一种低振动值深沟球轴承的制作方法
图片尺寸363x529
ntn nukr100h轴承图纸
图片尺寸800x494
684cef深沟球满装球全陶瓷轴承尺寸表
图片尺寸3381x2292
ntn 深沟球轴承 6912llu
图片尺寸500x500
gbt2761994滚动轴承深沟球轴承外形尺寸pdf
图片尺寸700x969
内径12轴承关于提高深沟球轴承安装精度的方法
图片尺寸750x413
abgyb7004-n-80,向心带座轴承 背面组合 深沟滚珠轴承嵌入型
图片尺寸478x402
nsk 微型深沟球轴承629样本图纸
图片尺寸500x500
nsk 深沟球轴承6909nr样本图纸
图片尺寸500x500
nachi 深沟球轴承6216znr样本图纸
图片尺寸455x280
带外罩的深沟球轴承
图片尺寸396x407