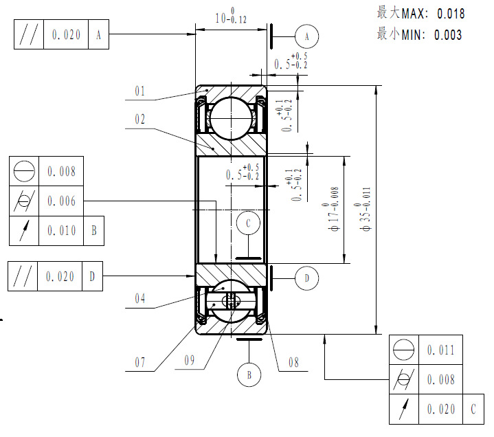
深沟球轴承结构

深沟球轴承基本知识
图片尺寸893x358
新闻资讯 hch环驰轴承的特点和保持架 hch深沟球轴承是滚动轴承中最
图片尺寸604x316
hch深沟球轴承结构hch轴承资料下载,6211 2rs(盒装)公制系列,安昂商城
图片尺寸706x404
tpi滚动轴承的构造与特征
图片尺寸699x430
(0)2255215尺寸系列ddb轴承类型深沟球轴承结构类型60000-rs(160000)
图片尺寸794x1215
深沟球轴承
图片尺寸2066x2923
一,深沟球轴承常见结构
图片尺寸503x248
轴承油脂精密轴承润滑脂含油轴承油高温轴承油脂高温链条
图片尺寸450x260
高精度6800zz/rs/开式微型深沟球轴承结构说明
图片尺寸750x351
求带防尘盖的深沟球轴承画法,有图,结构清楚最好
图片尺寸1230x660
6008深沟球轴承
图片尺寸437x220
美国newsun纽尚深沟球滚珠轴承6305zz,6305-2rs
图片尺寸324x481
skf轴承 6205深沟球轴承 厂家直销 斯凯孚授权 高速正品 机械轴承
图片尺寸790x766
当深沟球轴承具有较大的径向游隙时,具有角接触轴承的性能,可承受较大
图片尺寸414x240
f628/4x2-2z/hvp5yb2深沟球轴承样本结构图f628/4x2-2z/hvp5yb2 轴承
图片尺寸378x773
深沟球轴承结构图
图片尺寸800x329
f6803-zz zokolhps 0深沟球轴承
图片尺寸500x375
网络114 产品库 工业 轴承 角接触球轴承 > nmb7216b轴承 进口轴承 价
图片尺寸642x241
深沟球轴承结构的制作方法
图片尺寸600x1000
现货供应深沟球轴承6910-2rs 高速轴承 非标 高温轴承 微型轴承
图片尺寸719x636