深沟球轴承6208画法

6208-znr轴承
图片尺寸780x340
求带防尘盖的深沟球轴承画法,有图,结构清楚最好
图片尺寸1230x660
深沟球轴承
图片尺寸361x384![型号:6208/w64 [1] 品牌:skf 系列:深沟球轴承, 盗行](https://i.ecywang.com/upload/1/img2.baidu.com/it/u=3776858080,3498714243&fm=253&fmt=auto&app=138&f=GIF?w=780&h=340)
型号:6208/w64 [1] 品牌:skf 系列:深沟球轴承, 盗行
图片尺寸780x340
6208深沟球轴承
图片尺寸883x443
p>ntn 6208n轴承是深沟球系列轴承,内径为40mm. /p>
图片尺寸1087x461
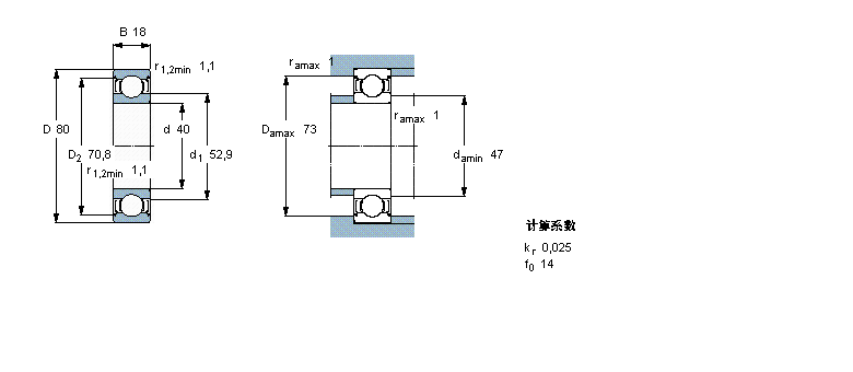
skf 深沟球轴承, 单列, 无密封件6208样本图片
图片尺寸900x560
深沟球轴承参数化建模
图片尺寸622x391
高分求轴承零件图
图片尺寸1570x1248
p>ntn 6208n轴承是深沟球系列轴承,内径为40mm. /p>
图片尺寸691x461
skf进口6208-z/w64 *轴承_skf进口6208-z/w64 *轴承尺寸_skf进口6208
图片尺寸507x242
轴承6208zenr_深沟球轴承_内径40外径80_nachi_苏州凯诺永晟轴承有限
图片尺寸455x280
p>ntn 6208轴承是一款 a target="_blank" href="/item/深沟球轴承
图片尺寸817x420
常用ytp滚动轴承的画法
图片尺寸591x636
data-lemmaid="673424">深沟球轴承 /a>,型号为6208,内径为40mm,外径
图片尺寸740x515
高质量skf轴承skf深沟球轴承规格齐全6208-2rz
图片尺寸676x1134
p>skf w6208-2z轴承,是skf品牌,属深沟球轴承系列. /p>
图片尺寸780x340
40 外径:80 ,厚度:18 ,品牌:skf ,类型:工程产品 ,备注:深沟球轴承
图片尺寸512x212
深沟球轴承cad平面图
图片尺寸539x812
一种散热性良好的深沟球轴承
图片尺寸981x1010