混合电路

电容器 电阻 恒流源 混合电路的问题 有难度!
图片尺寸1033x644
带过载保护的连续与点动混合控制电路
图片尺寸1012x1048
带过载保护的连续与点动混合控制电路
图片尺寸790x664
音频混合器 _音频电路_电路图_114ic交易网
图片尺寸863x1010
混合集成电路的电路特点
图片尺寸621x404
混合波形电路
图片尺寸310x356
点动与连续运行混合控制的控制电路
图片尺寸1208x603
混合电路组成的增益可编
图片尺寸1737x949
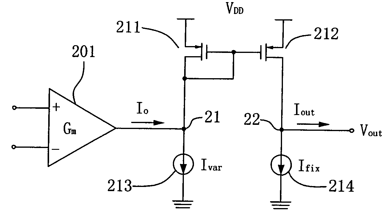
数字可编程转导放大器及使用该放大器的混合信号电路
图片尺寸1284x720
混合 连接习题
图片尺寸813x500
低噪声4通道吉他混合机 _音频电路_电路图_114ic交易网
图片尺寸811x998
电工必会,点动自锁混合电路原理分析图 #电工 #零基础学电工
图片尺寸1080x608
音频混合电路
图片尺寸330x405
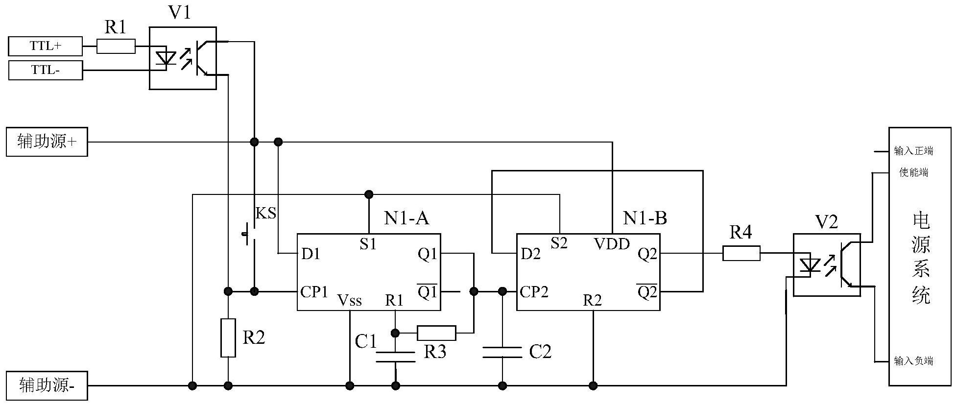
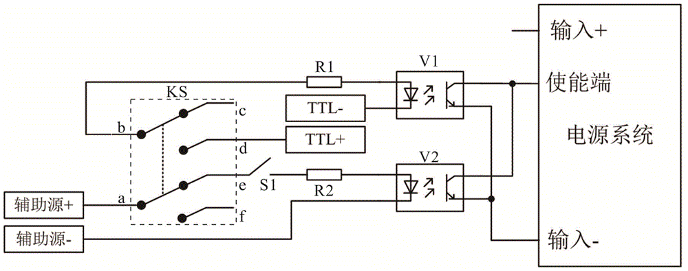
一种电源混合控制电路
图片尺寸1000x395
一种用于电源的混合型使能控制电路
图片尺寸1952x831
一种电源混合控制电路
图片尺寸1000x395
混合集成电路的工作原理
图片尺寸382x297
lab 3 数,模混合集成电路原理图设计
图片尺寸693x526
cn1848699a_多路径混合式电路以及相关方法有效
图片尺寸2064x1240
一种混合型栅极驱动电路的制作方法
图片尺寸844x1000