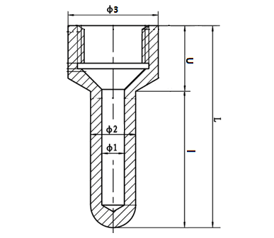
温度计套管简图

整体式温度计套管
图片尺寸387x337
cn201589665u_刚玉复合型抗冲刷温度计套管失效
图片尺寸1838x2485
刚玉复合型抗冲刷温度计套管
图片尺寸1878x2456
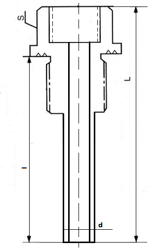
温度计套管整体式
图片尺寸320x504
一种多功能搪玻璃温度计套管的制作方法
图片尺寸261x443
一种中试装置的温度计套管制造方法及图纸
图片尺寸285x495
可动外螺纹双金属温度计保护套管装置制造方法及图纸
图片尺寸362x461
温度计套管的性能测试计算
图片尺寸311x231
一种生物制剂用反应釜的温度计套管装置制造方法及图纸
图片尺寸658x1000
搪玻璃反应釜搅拌器上的搪玻璃温度计套管
图片尺寸600x462
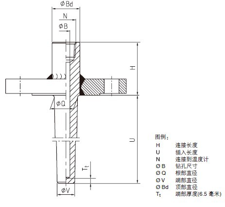
②双金属温度计插入深度为螺纹顶端密封面到顶端的长度(螺纹长度不
图片尺寸256x360
搪玻璃反应釜配套温度计套管
图片尺寸550x250
温度计套管断裂原因浅析
图片尺寸322x326
搪玻璃温度计套管
图片尺寸491x255
江苏wss-411表盘式温度计防爆电接点双金属温度表盘式温度计
图片尺寸800x800
分馏头具温度计套管磨口1922
图片尺寸343x358
主页 产品展示 仪表阀及其他仪表连接件 温度计套管 tw21整体法兰式特
图片尺寸571x401
带pt100输出的内电源显示温度计
图片尺寸211x229
温度计摔碎害死人,你家有吗?
图片尺寸1920x2560
法兰式温度套管 tw22 不锈钢温度保护套 热电阻温度护套-西安工厂
图片尺寸463x425