游丝工作原理

1675年,荷兰人惠更斯发明了扁平游丝,原理与钟摆一样,只是钟摆依赖万
图片尺寸518x467
摆轮游丝.png
图片尺寸633x303
摆轮游丝
图片尺寸431x286
摆轮游丝震动系统
图片尺寸720x716
腕表小科普机械手表的摆轮游丝系统
图片尺寸660x495
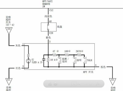
新一代本田车方向盘游丝不得不说的秘密!改方控必看!
图片尺寸400x295
摆轮游丝振动系统 (8)闹钟 机械闹钟的走时原理 机械钟表中,利用
图片尺寸400x451
cn101995811a_用于固定钟表的游丝摆轮装置的游丝发条外端的组件有效
图片尺寸1038x916
首先,方向盘气囊游丝是方向盘和安全气囊连接的一个零件,圆盘状的样式
图片尺寸2132x1280
n厂劳力士v8版渐变蓝鬼王126660腕表评测升级了什么地方
图片尺寸632x419
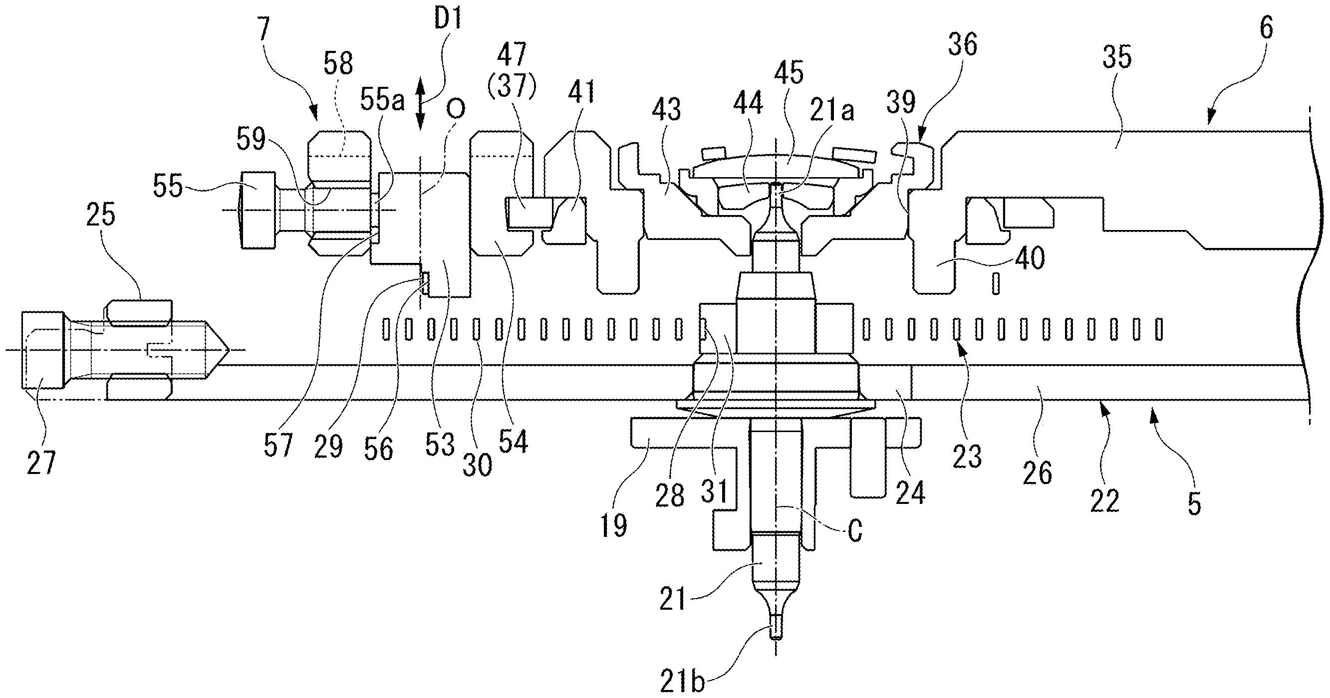
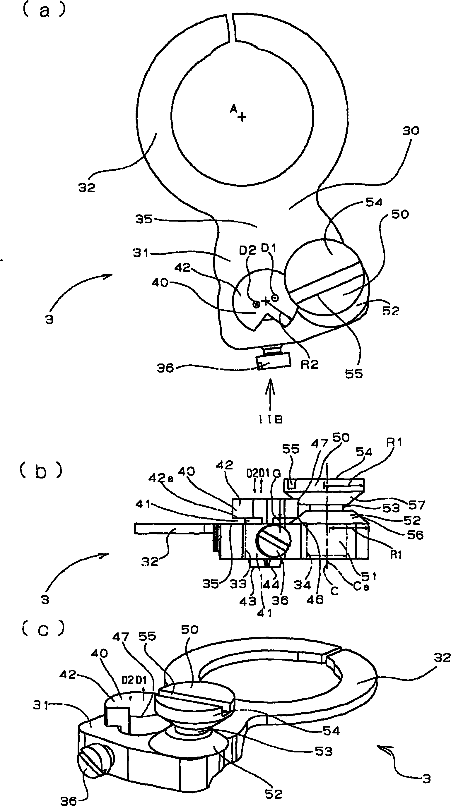
游丝支撑结构游丝摆轮结构体以及机械式钟表
图片尺寸1540x2754
游丝调整机构摆轮游丝机构夹板单元机芯和钟表
图片尺寸2665x1399
外夹,内夹或双内夹构成,在表机内通过改变游丝的有效工作长度来调节
图片尺寸598x386
手表指针工作原理的网址
图片尺寸314x324
手表游丝工作原理是什么?手表游丝的历史发展
图片尺寸1600x1200
火电,核电,水电,光电,垃圾发电,仪表等动图合集_原理_流量计_控制
图片尺寸398x320
手表游丝金属的工作原理是什么?
图片尺寸640x406
有卡度与无卡度游丝摆轮是否决定手表的档次?
图片尺寸603x453
很多车主在改多功能方向盘换游丝但不知道游丝的工作原理和结构
图片尺寸700x525
游丝摆轮恩仇录_hooke_机械_钟表
图片尺寸687x909