湮灭图纸

托管acgmeme
图片尺寸720x960
猎杀t34没有永远无敌的武器只有不朽的斗志
图片尺寸600x360
逆火轰炸机来袭禾美发布高端军级显卡
图片尺寸1263x695
kupplung zur drehmomentübertragung von einem durch
图片尺寸1536x2889
box-type two-stroke internal combustion engine for
图片尺寸2004x2966
俄军接收两款升级版自行火炮 全都是"上世纪的老黄瓜刷绿漆"
图片尺寸1000x754
湮灭
图片尺寸1000x1481
m82a1(大炮)
图片尺寸1277x902
湮灭
图片尺寸1000x2023
速读,原著击败《三体》,互换dna,变成外星人也要和你在一起——《湮灭
图片尺寸1256x785
神龙传奇
图片尺寸1800x1710
亚力克斯·加兰《湮灭》2018————————
图片尺寸1080x1439
只有我觉得湮灭超好看吗
图片尺寸480x640
《湮灭》
图片尺寸1080x1685
《湮灭》影评- mtime时光网
图片尺寸1080x607
multi-zone gaseous fuel high efficiency engine
图片尺寸1839x2649
刘慈欣说认同湮灭战胜三体获得星云奖!
图片尺寸1080x1439
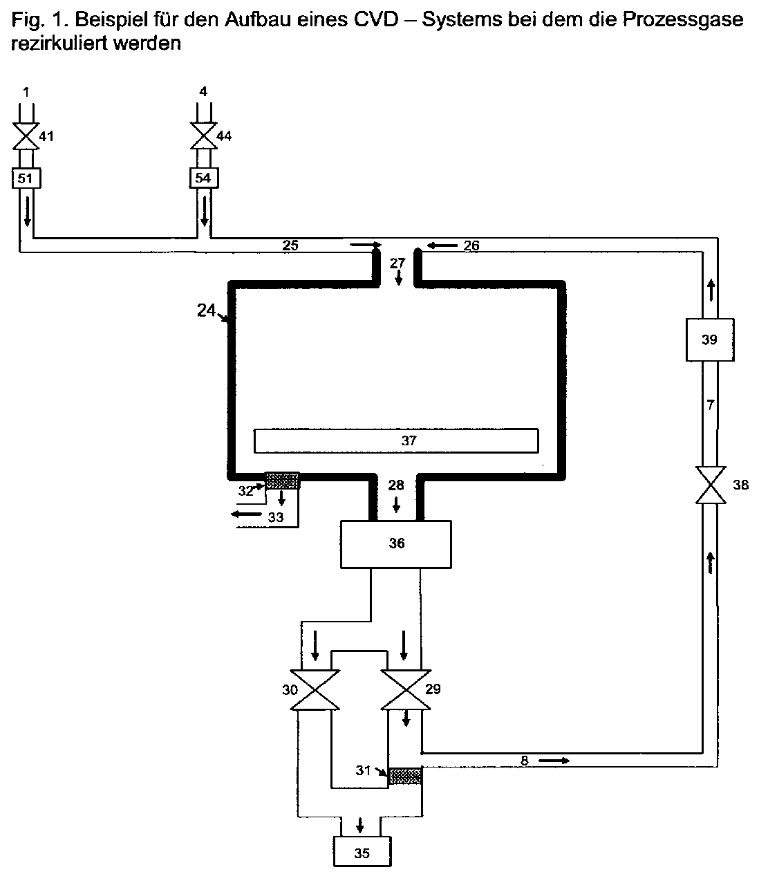
verringerung des verbrauchs von prozessgasen bei
图片尺寸1098x1264
model she530 injection unit a b screw diamete
图片尺寸586x546
烧脑科幻不输三体的湮灭毁灭亦重生
图片尺寸960x720