湿敏电阻电路图

谁能给一个简易的用湿敏电阻控制电路的设计方案
图片尺寸550x306
阻抗式湿敏元件简单应用电路图
图片尺寸1689x1087
一个湿敏电阻的应用电路图,自己抄的不懂原理,求高手解释 - 模拟电子
图片尺寸1529x547
图11-25 陶瓷湿敏传感器测量电路式中,rt0为湿敏元件在温度t0时的电阻
图片尺寸904x481
湿敏电阻
图片尺寸474x275
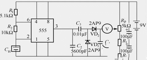
湿敏电阻应用电路图
图片尺寸445x360
湿敏电阻如何与单片机相连?
图片尺寸321x421
湿敏电阻的种类和结构原理
图片尺寸440x227
hr202湿敏电阻使用总结与程序整理
图片尺寸398x372
用过hr202湿敏电阻的前辈进来帮小弟一下啊!
图片尺寸275x349
rs为湿敏电阻,v4随湿度升高逐渐变亮,如果湿度继续升高,v4,v5开始变亮
图片尺寸451x223
湿敏电阻的工作原理及其用法应用
图片尺寸481x200
基于湿敏电阻实现湿度测量电路的设计
图片尺寸574x454
湿敏电路
图片尺寸550x326
图1-30是湿敏电阻器的应用电路.
图片尺寸368x291
如图所示为湿度报警控制系统rs为湿敏电阻v4随湿度升高逐渐变亮如果
图片尺寸456x275
ms是湿敏电阻,用来检测大棚内的湿度,rt是热敏电阻来检测大棚内的温度
图片尺寸397x295
hr202 湿度模块 湿敏电阻模块 湿度检测模块 湿度传感器_双氙车灯改装
图片尺寸590x381
压敏电阻在灯具电子线路中的应用介绍
图片尺寸526x232
【转帖】湿敏电阻的工作原理及其用法应用
图片尺寸478x195