滑动轴承符号

滚动轴承的基本代号
图片尺寸532x708
滚动轴承的基本代号
图片尺寸534x706
滚动轴承形位公差项目及符号与含义
图片尺寸744x982
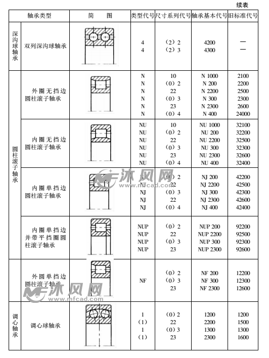
滚动轴承新旧标准代号对照
图片尺寸704x524
滚动轴承设计ppt
图片尺寸1080x810
2344系列双向推力角接触球轴承
图片尺寸800x737
滚动轴承表示法
图片尺寸1758x563
轴承符号画法
图片尺寸731x919
滚动轴承的基本代号
图片尺寸535x630
机械制图标准机械运动简图符号
图片尺寸665x789
常用液压元件符号.doc
图片尺寸993x1404
gbt 272-93 滚动轴承 代号方法
图片尺寸2128x3032
轴承形位公差项目及符号与其对应含义
图片尺寸959x1356
第27课滚动轴承的代号含义
图片尺寸791x549
机械制图标准机械运动简图符号
图片尺寸679x929
轴承基础知识培训ppt
图片尺寸1170x810
滚动轴承的代号
图片尺寸1374x476
1-2001滑动轴承 基本符号
图片尺寸700x1000
ytp滚动轴承的振动对泵磨损的影响及作用
图片尺寸591x636
答疑轴承nj3106310nj310ecp之间有啥区别
图片尺寸1169x663