滚动轴承6206怎么画

求深沟球轴承6206的cad文件!
图片尺寸2401x3151
滚动轴承的画法
图片尺寸1774x1933
求问6206号深沟球轴承的几何参数,最好配图.~多谢多谢!
图片尺寸352x531
ntnac6206轴承
图片尺寸640x472
滚动轴承的画法_通用_轮廓_规定
图片尺寸1128x968
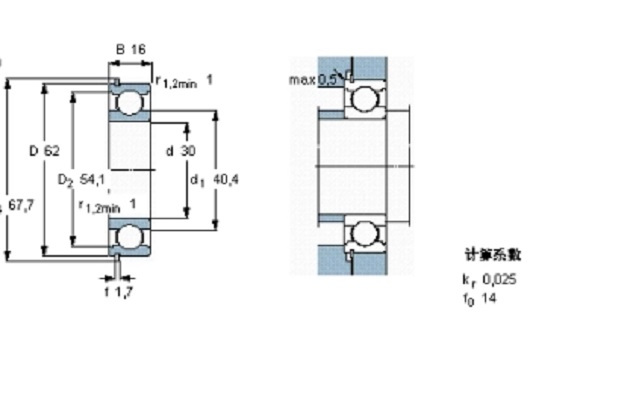
6206 *轴承尺寸,skf 6206 *轴承价格 - 搜轴网
图片尺寸528x242
滚动轴承的画法
图片尺寸662x1310
用简化法,1:1的比例在齿轮轴的φ30m6轴处画6206深沟球轴承一对(轴承
图片尺寸700x286
单列深沟球轴承,是滚动轴承中最具有代表性的结构,用途广泛.
图片尺寸800x800
skf 6206nr轴承
图片尺寸630x420
规定画法必要时,在滚动轴承的产品图样,产品样本,产品标准,用户手册和
图片尺寸1800x958
6206-2z/va208轴承
图片尺寸780x340
滚动轴承的画法有简化画法和两种其中简化画法又有和两种
图片尺寸241x323
gmn fkn6206轴承
图片尺寸535x196
skf6206n*轴承详细参数
图片尺寸536x221
gb-t276-滚动轴承
图片尺寸2128x2976
6206va201轴承
图片尺寸450x205
轴承怎么画简笔画
图片尺寸500x460
表7-6 滚动轴承通用画法的尺寸比例示例在剖视图中,当不需要确切地
图片尺寸1763x634
比如我要画深沟球60000型的滚动轴承,里面是不是有6个球
图片尺寸669x648