滚珠丝杠运动简图

滚珠丝杆传动系统原理图
图片尺寸640x244
例子滚珠丝杠的选择与计算
图片尺寸600x219
一,什么是滚珠丝杠
图片尺寸572x276
25v滚珠丝杠简图-z.jpg
图片尺寸897x487
基于matlab的滚珠丝杠动力学建模与仿真分析
图片尺寸390x155
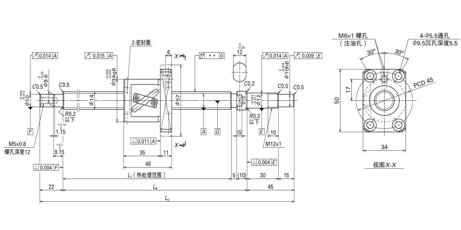
nsk 滚珠丝杠 小型fa系列 ms,fs,ss-nsk w3218ss-1z-c5z10 江苏勃曼
图片尺寸1485x742
滚珠丝杠图解ppt
图片尺寸800x600
滚珠丝杠的构造和工作原理_精度_运动_轴线
图片尺寸738x264
nsk 滚珠丝杠 小型fa系列 ma.fa.
图片尺寸1485x742
nsk滚珠丝杠 w2502sa-1p-c5z4 选型篇(三)
图片尺寸640x370
滚珠丝杠的工作原理
图片尺寸625x832
滚珠丝杠的安装方法
图片尺寸500x348
nsk 滚珠丝杠 小型fa系列 ma.fa.
图片尺寸1485x742
滚珠丝杠的安装方法
图片尺寸500x560
数控扎辊磨床z轴滚珠丝杠副失效案例分析
图片尺寸393x169
背景技术:滚珠丝杠是将回转运动转化为直线运动,或将直线运动转化为
图片尺寸1000x355
精密传动界的扛把子|聊聊滚珠丝杆的那些事
图片尺寸961x405
nsk 滚珠丝杠 小型fa系列 ma.fa.
图片尺寸1485x742
thk滚珠丝杆作为直线运动和回转运动相互转换的一种新型传动元件,集高
图片尺寸862x628
滚珠丝杠介绍
图片尺寸918x442