滚珠轴承二维图

深沟球轴承参数化建模
图片尺寸622x391
6902 zzn--深沟球轴承-60000-2zn(250000)外圈带止动槽两面带防尘盖的
图片尺寸714x1215
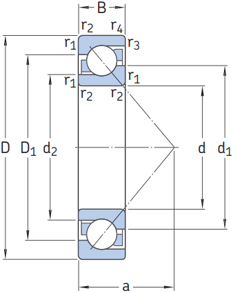
bw系列角接触球轴承
图片尺寸500x266
cad深沟球轴承的教程优酷
图片尺寸565x728
轴承
图片尺寸1141x1044
输出轴,轴承滚珠 工程图
图片尺寸820x568
数控车床尾架顶针推力轴承设计
图片尺寸820x587
nsk6022zz深沟球轴承尺寸规格
图片尺寸400x250
滚珠轴承角接触球轴承
图片尺寸338x425
nsk 2212轴承nsk 2212k轴承nsk 2213轴承
图片尺寸504x335
滚动轴承的画法
图片尺寸662x1310
6205-rs/c3--深沟球轴承-60000-rs(160000)一面带骨架式橡胶密封圈
图片尺寸794x1215
skfnkx20滚动轴承
图片尺寸547x197
52206推力球轴承 timken双向推力球轴承
图片尺寸569x239
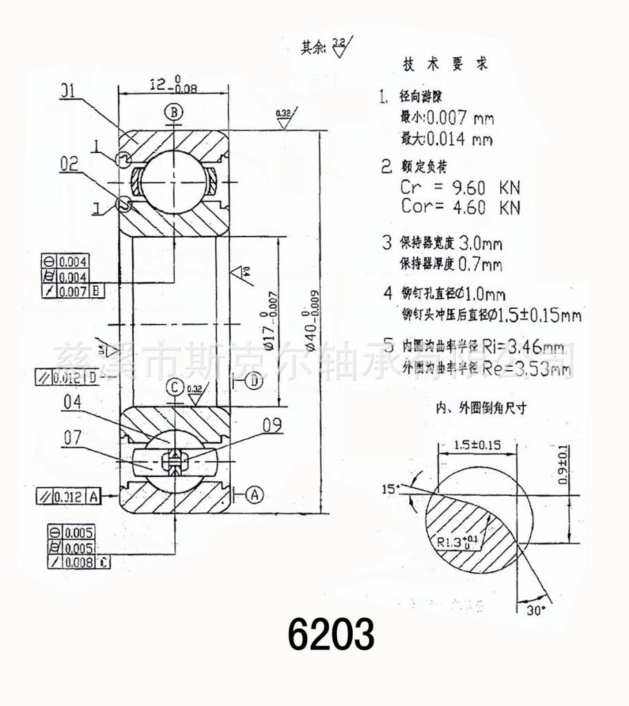
专业生产轴承钢6203 zz 深沟球轴承
图片尺寸913x1024
71924ca-角接触球轴承-角接触球轴承-型号查询-金蜘蛛轴承网
图片尺寸225x441
skf7412bgam轴承详细参数
图片尺寸631x291
供应带止动槽,止动环,装球缺口的单列深沟球轴承
图片尺寸630x471
nsk轴承 6308zz深沟球轴承 现货供应
图片尺寸599x199
nsk53207轴承图纸参数
图片尺寸400x246