滚齿机工作台图解

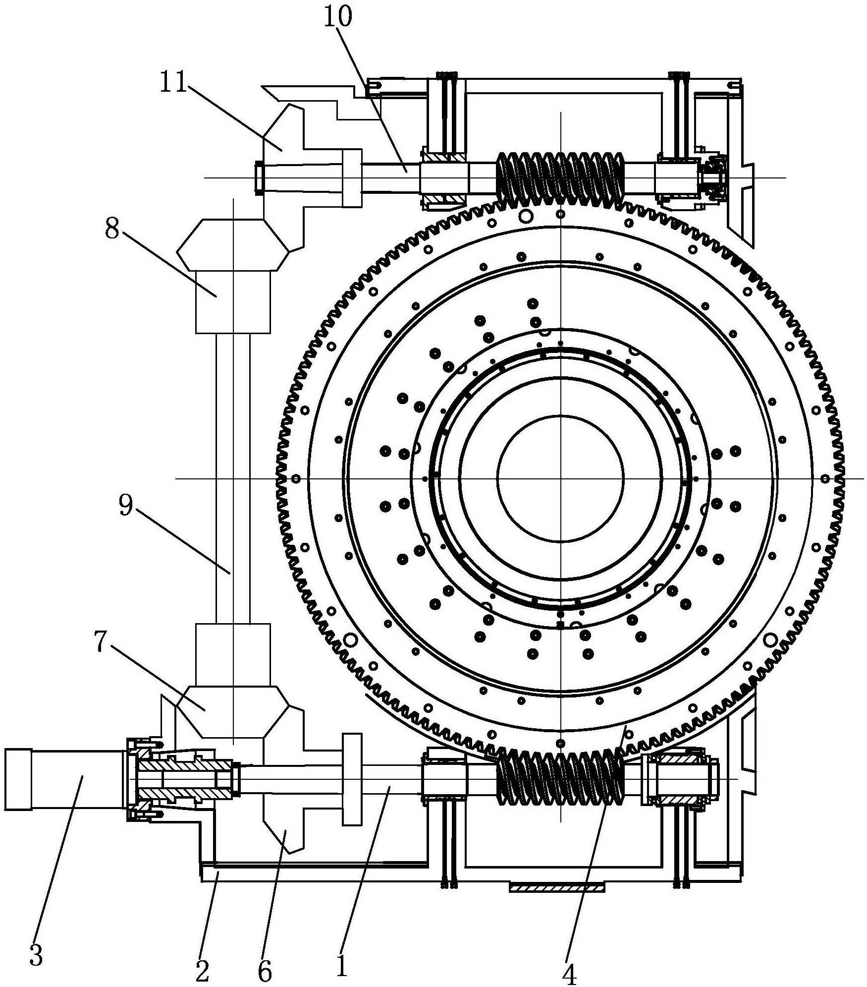
滚齿机工作台测试平台及其测试方法
图片尺寸1966x2015
8米武重滚齿机!工作台3.8米!模数36模!付工作台6.3米 - 抖音
图片尺寸1440x2704
一种双驱动滚齿机工作台-爱企查
图片尺寸1750x1991
2米俄罗斯滚齿机!模数30no工作台2.8米!自重83吨 - 抖音
图片尺寸1080x1440
数控回转工作台
图片尺寸700x795
y3150e滚齿机回转工作台的设计2d图机械cad 说明素材
图片尺寸856x596
07年原标重庆ya31160滚齿机一台,工作台1 - 抖音
图片尺寸960x1866
7815781578157815重型滚齿机y31315b/36mm工作台2550
图片尺寸1440x1920
立柱固定,工作台移动式二手滚齿机
图片尺寸760x552
y38滚齿机传动图
图片尺寸893x1235
滚齿机的结构图
图片尺寸519x396
售:德国利波海尔2米数控滚齿机,四轴数控,世界名牌,精度高, - 抖音
图片尺寸1080x1920
滚齿机工作台测试平台及其测试方法技术
图片尺寸975x1000
一种用于数控滚齿机的工件移动结构
图片尺寸1553x1887
德国霍夫勒滚齿机hf10002000
图片尺寸493x349
重庆3150滚齿机到店 - 抖音
图片尺寸1280x1707
用于滚齿机,其特征在于,包括:芯轴,设置在所述滚齿机的工作台上,所述
图片尺寸685x1000
滚齿机#滚齿机#大数据推荐给有需要的人 #中国制造 - 抖音
图片尺寸1080x1505
新型高效数控磨齿机
图片尺寸1000x875
本实用新型属于机械加工领域,具体涉及一种数控滚齿机,包括:工作台
图片尺寸1881x1837