滤波器内部结构图

电磁干扰滤波器的设计
图片尺寸1597x880
图2—12 声表面波滤波器结构示意图
图片尺寸496x251
声表面波滤波器作用与结构
图片尺寸558x425
opt系列数据滤波器采用一种柜式结构,其内部包括exxelia光学转换器
图片尺寸619x468
基本baw滤波器示意图
图片尺寸1035x613
图5 多层lc复合滤波器的结构实例其次,手机上使用时,配备了多个自我
图片尺寸400x250
射频滤波器核心技术
图片尺寸903x572
bdl滤波器结构
图片尺寸534x345
一种腔体滤波器
图片尺寸1375x1604
cn213460026u_一种介质波导滤波器有效
图片尺寸1901x1779
图 微波光子滤波器芯片结构
图片尺寸1890x1434
陶瓷滤波器内部结构拆解
图片尺寸1080x619
cn102354777a_一种ltcc低通滤波器失效
图片尺寸1956x1009
器为一个带通交指滤波器,由谐振腔,调节螺钉,谐振柱,输入输出结构以及
图片尺寸360x265
盘点一下那些经典的微波滤波器结构
图片尺寸826x472
质量流量控制器控制器算法和设定点滤波器
图片尺寸2223x1808
滤波器的作用(滤波器的主要功能和作用)
图片尺寸1284x786
1 微波光子滤波器系统结构和
图片尺寸3780x898
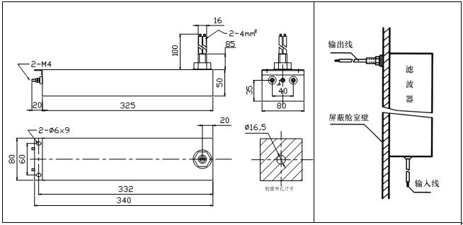
电源滤波器
图片尺寸654x318
baw滤波器采用石英晶体作为基板,基本结构是两个金属电极夹着压电薄膜
图片尺寸698x448