滤波器原理图

上图所示几种复式滤波电路中,图(a)为lc滤波器,适用于电流较大,要求
图片尺寸2213x1279
高通滤波器相应参数计算如下
图片尺寸910x455
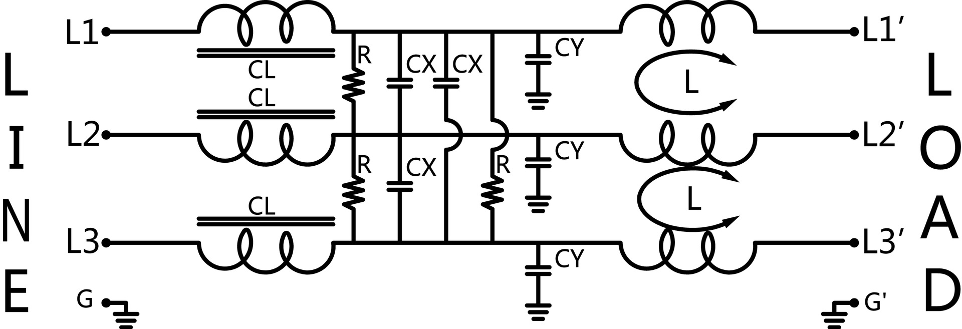
滤波器 三相滤波器 100a双极 共模差
图片尺寸1920x657
2 一阶滤波电路ppt
图片尺寸1080x810
漫话有源滤波器——高通滤波器篇
图片尺寸1101x730
电源噪声滤波器-滤除市电杂波干扰
图片尺寸1161x1209
高通滤波器的设计及参数值在线计算
图片尺寸585x396
图2-64 电容器的滤波作用
图片尺寸1940x1487
电磁干扰滤波器的设计
图片尺寸1597x880
滤波器
图片尺寸1424x644
二阶有源带通滤波器滤波原理
图片尺寸526x461
各种滤波电路比较ppt
图片尺寸1080x810
关于有源滤波器的工作原理介绍
图片尺寸1000x772
cn206894597u_一种低噪声低通滤波器有效
图片尺寸1506x1090
滤波器
图片尺寸1524x1324
我用官方的低通滤波器设计的,单电源运放,把输入设置到电压一半,输出
图片尺寸1001x708
滤波电路词条图册_百度百科
图片尺寸446x355
低通滤波器的工作原理
图片尺寸640x400
220v电源滤波器的作用是什么?
图片尺寸640x266
18 fp滤波器
图片尺寸1080x810