潍柴国三电路图

潍柴自主wise15_国四,五电路图
图片尺寸906x1280
潍柴自主wise15_国四,五电路图
图片尺寸1080x1440
柴油车整车电路图
图片尺寸1080x1280
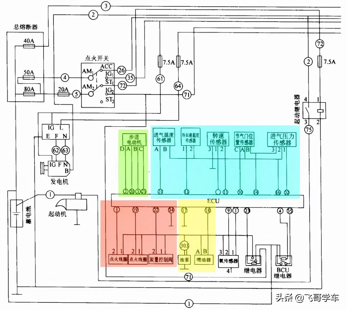
潍柴电控发动机电路图
图片尺寸3089x2326
柴油发电机组-控制器系统原理图
图片尺寸1015x1452
详解柴油发电机组控制屏(箱)的使用与维护!
图片尺寸600x614
潍柴电控发动机电路图
图片尺寸2174x1353
解析潍柴国iii发动机不着车故障
图片尺寸1109x673
潍柴电控发动机电路图
图片尺寸3417x2238
p3073燃油泵电路电气故障
图片尺寸1012x450
柴油车整车电路图
图片尺寸1939x1280
全套柴油车电喷国三国四电控维修资料共轨电路图故障诊断电脑板
图片尺寸700x1000
潍柴电控发动机电路图
图片尺寸2254x2169
潍柴天然气电器原理图(中文版)
图片尺寸1357x959
柴油发电机电路图_第1页
图片尺寸920x1302
潍柴国四发动机bosch edc17 电控系统电路图
图片尺寸1406x2088
全套柴油车电喷国三国四电控维修资料共轨电路图故障诊断电脑板
图片尺寸699x824
柴油机起动电路接线图是什么?
图片尺寸720x493
潍柴博世 锡柴博世edc17cv44/54scr原理图
图片尺寸3120x3640
超简单的ecu电路分析小白都看懂了
图片尺寸1354x1210