灭弧电路

这样做继电器触点灭弧是否可行附图
图片尺寸814x525
继电器触点灭弧电路
图片尺寸938x598
交流灭弧电路及装置开关系统
图片尺寸1569x1143
继电器灭弧电路和方法
图片尺寸1805x865
低压电器灭弧系统
图片尺寸290x250
电容耦合式灭弧电路及装置制造方法及图纸
图片尺寸1000x395
ksaae主动式灭弧器件使用注意事项
图片尺寸528x253
消弧电路电子工程
图片尺寸366x349
cn104392860a_电容耦合式灭弧电路及装置有效
图片尺寸993x381
继电器rc灭弧电路
图片尺寸900x365
直流接触器常用纵缝和磁吹装置灭弧
图片尺寸284x209
请教电源开关灭弧的问题
图片尺寸811x507
电动力灭弧,磁吹灭弧,金属栅片灭弧常用的灭弧方法:在大气中分断电路
图片尺寸341x209
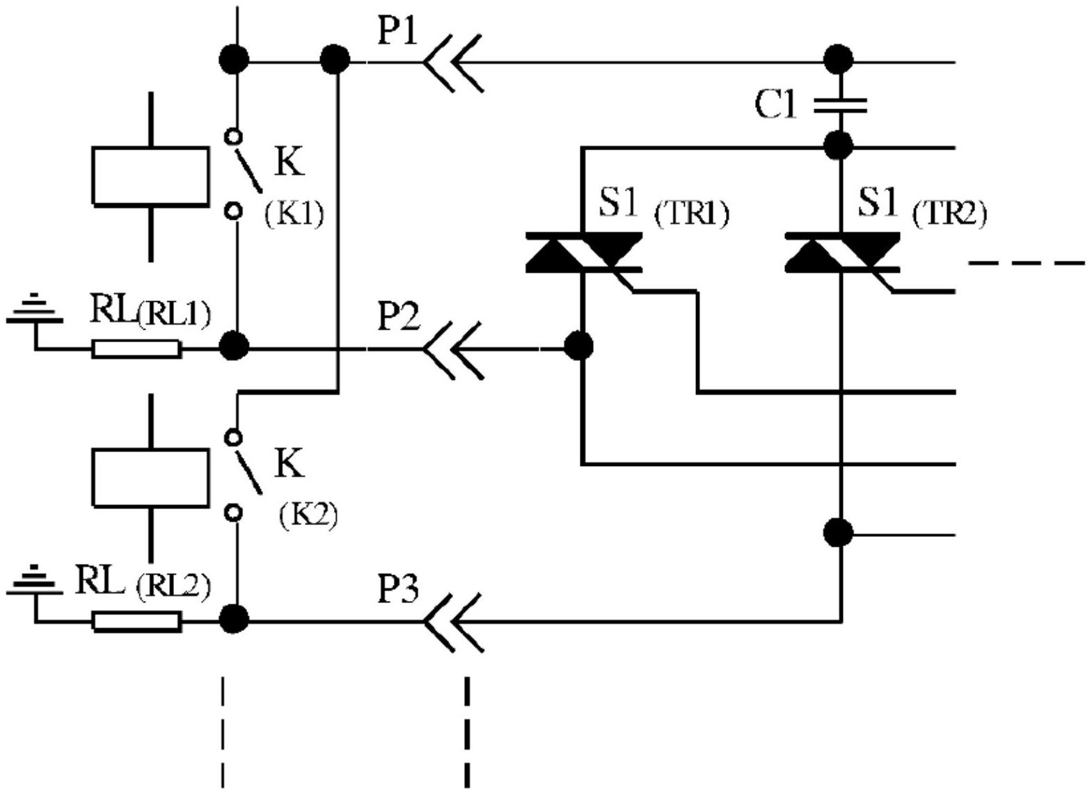
一种可控硅应用于继电器的灭弧电路
图片尺寸1430x1033
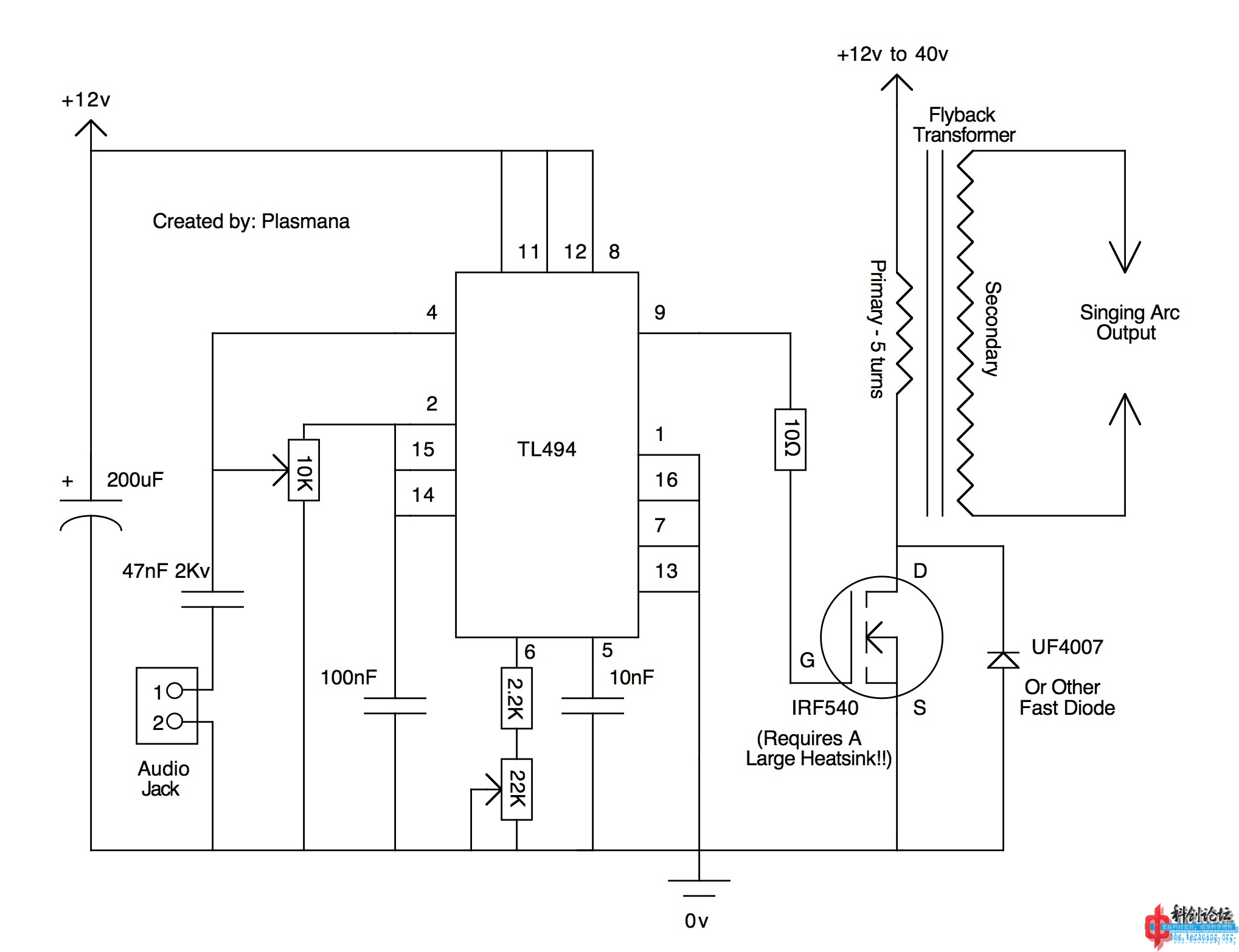
给494灭弧做的线路图
图片尺寸2037x1565
ty500智能短路灭弧器
图片尺寸492x612
三相电动机交流接触器灭弧电路图
图片尺寸510x690
一种继电器灭弧电路及方法技术
图片尺寸1000x837
cn85105525a_交流电路用消火花灭弧电路失效
图片尺寸736x800
开关电器常用的灭弧方法解决方案华强电子网
图片尺寸422x293