灭菌器工作原理图

高压蒸汽灭菌锅
图片尺寸1080x810
压力蒸汽灭菌器是如何工作的
图片尺寸964x741
而脉动真空灭菌锅器的工作原理则是:脉动真
图片尺寸560x388
消毒灭菌技术
图片尺寸852x665
管式杀菌器流程
图片尺寸1080x810
实验型超高温杀菌机
图片尺寸752x449
灭菌流程
图片尺寸1080x810
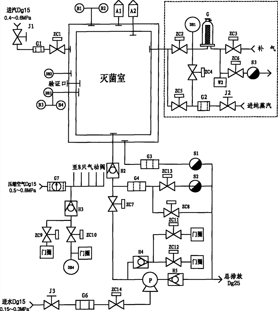
一种脉动真空灭菌器系统的制作方法
图片尺寸1000x934
卧式杀菌器装置图
图片尺寸659x347
压力蒸汽灭菌器的工作流程
图片尺寸456x347
十二.降温结束产品出锅.还想了解请点击:01.喷淋杀菌锅工作原理02.
图片尺寸1210x750
uht灭菌原理图
图片尺寸500x629
低温蒸汽甲醛灭菌器示意图
图片尺寸521x292
cn101693116b_湿热蒸汽灭菌柜中空气过滤器的灭菌工艺有效
图片尺寸894x1000
上海博迅bxm-30r立式不锈钢高压蒸汽灭菌器
图片尺寸790x908
高温蒸汽灭菌器的基本原理
图片尺寸809x346
cn101693115b_一种湿热蒸汽灭菌柜中空气过滤器的灭菌工艺有效
图片尺寸894x1000
顶淋式杀菌釜的工作原理
图片尺寸590x383
输送至发酵反应器后,通入蒸汽直接加热,再冷却至接种温度的灭菌过程
图片尺寸640x506
预真空压力蒸汽灭菌器的压力表
图片尺寸828x463