热机示意图

1《热机》教学课件ppt
图片尺寸1080x810
物理《 热机 》导学案模板
图片尺寸836x503
新初三预习:《热机》视频讲解,开学赢在起跑线!
图片尺寸625x810
九年级物理热机和热值人教实验版知识精讲
图片尺寸424x479
2013~2014年新人教版九年级物理多媒体教学课件:14.1热机ppt
图片尺寸1080x675
环球车讯网 昨天 我要分享 内容概述:内燃机热机进气方式,涉水驾驶对
图片尺寸630x446
初三物理《热机》复习练习北师大版答案
图片尺寸1429x516
九年级物理热机原理图
图片尺寸1080x540
nb物理创新课堂第14期热机
图片尺寸621x601
1热机 导学案
图片尺寸265x265
第二章23热机的工作原理教学课件共48张ppt
图片尺寸720x540
卡诺热机的热力学
图片尺寸474x423
邯郸油加热器邯郸到热油加热器邯郸电导热油加热器邯
图片尺寸1739x997
最新审定新人教版九年级物理十四章第一节热机ppt 公开课课件
图片尺寸1080x810
九年级上124热机与社会发展20张ppt
图片尺寸960x540
2018年中考物理(云南专版)总复习教学案第3课时 热机与热值答案
图片尺寸917x352
【热学图片】热机:四冲程汽油机工作示意图(吸气冲程)
图片尺寸650x718
(广东专用版)2018_2019学年九年级物理全册第十四章第1节热机习题
图片尺寸792x569
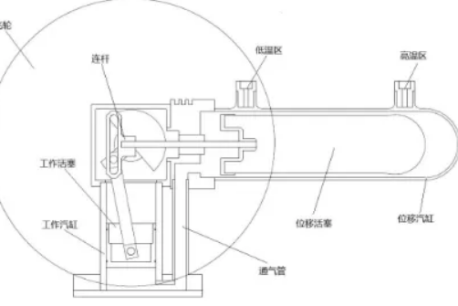
空气热机
图片尺寸502x335
该热机吸气冲程中吸入汽缸的物质为汽油和空气的混合物
图片尺寸295x311