热结构

一种具有热防护功能的热结构的制作方法
图片尺寸1000x953
4,项目名称:《含间隙功能梯度材料热结构边界元建模及传热分析》;指导
图片尺寸1027x764
金融/投资 幕墙热工基础知识 培训ppt 6,总热阻: 围护结构的总热阻
图片尺寸1080x810
俯冲带热结构的动力学模型研究
图片尺寸600x350
结构热分析
图片尺寸1006x455
abaqus-铝棒拉拔成型模拟(热结构耦合)
图片尺寸1120x476
中国东部渤海湾盆地热结构和热演化
图片尺寸1280x1811
一,熔化热 为什么熔化会吸热? 我们先看看固体和液体的结构
图片尺寸1080x810
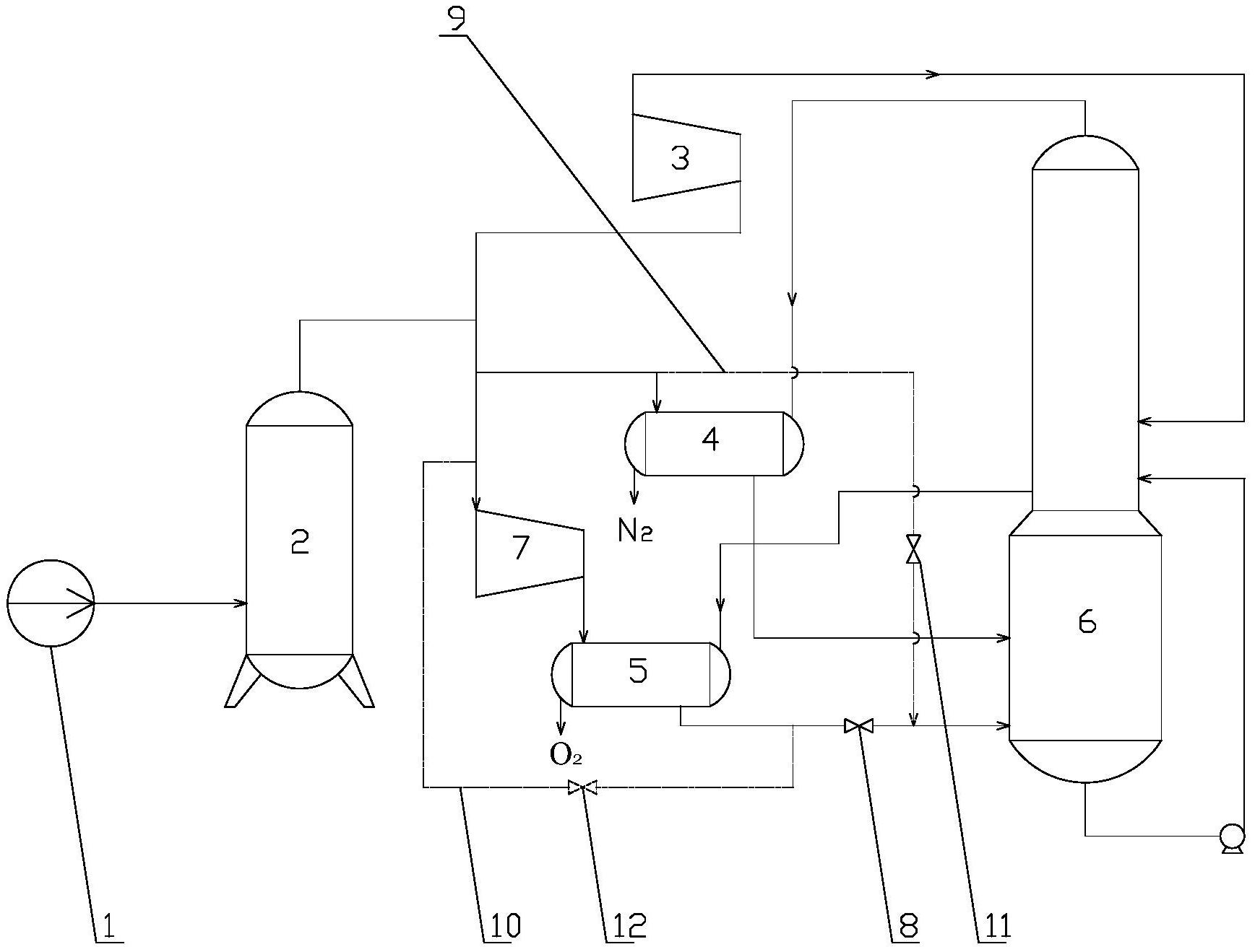
一种空分系统复热结构
图片尺寸1737x1319
固膏体燃气发生器热结构分析和仿真
图片尺寸700x476
间接的方法,如观测地震波,火山岩,人造钻孔等来推测它的结构和性质
图片尺寸640x461
一种集热结构及盖体组件及压力锅-爱企查
图片尺寸1232x1943
预计混合式速热式电热水器内部结构
图片尺寸600x400
必威徐骏,宋虎成团队通过三维分级的热捕获结构实现增强太阳.
图片尺寸1270x842
自限温电伴热带的剪切与安装注意事项
图片尺寸617x318
异型复杂热结构部件数据采集及预处理.pdf 6页
图片尺寸796x1138
固膏体燃气发生器热结构分析和仿真
图片尺寸700x529
热结构稳态响应下的敏度分析方法和形状优化
图片尺寸1410x2016
限功率电伴热带结构图
图片尺寸700x430
一种室内太阳能取热结构及其使用方法-爱企查
图片尺寸1567x2121