焊接式管接头标准表

msssp83class3000承插焊活接头的尺寸表
图片尺寸1678x2292
unf螺纹标准的全系列液压管接头(卡套式,焊接式,扩口式),快速接头,管
图片尺寸650x895
j bt 6381.1-1992 锥密封焊接式管接头.pdf
图片尺寸800x1171
jb966-1977焊接式直通管接头jb970-1977
图片尺寸700x481
304不锈钢焊接皮管接头宝塔接头卫生级软管接头竹节格林
图片尺寸800x800
高压油管过渡液压接头外丝直通内丝角弯补芯三通卡套焊接式管接头 g1
图片尺寸800x485
厂家直销卡套式焊接接头 卡套式 焊接式 承接水管活接头
图片尺寸750x976
直缝焊接钢管尺寸规格表
图片尺寸884x564
南通锥密封焊接式管接头(16,25,31.5mpa)
图片尺寸698x523
液压管接头标准
图片尺寸2176x2920
焊接钢管管道规格表
图片尺寸1050x595
玛钢镀锌管焊接单头外丝4分6分1寸1.5寸2寸
图片尺寸700x543
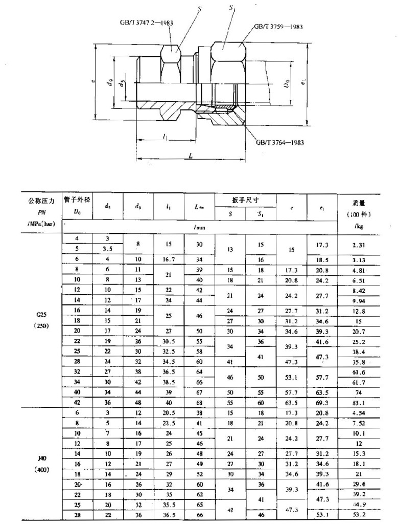
gb/t3747-1983卡套式焊接直通接头
图片尺寸779x1024
geam/geva西德福焊接式端直通管接头
图片尺寸617x835
jbt991--焊接式四通管接头体.pdf
图片尺寸955x1366
15 压力管道焊接工艺标准-10页
图片尺寸713x760
苏州焊管 高频直缝焊管 焊接钢管 直缝钢管 dn50 dn100 dn200
图片尺寸1919x1332
供应卡套式焊接接头gb3747 1-83
图片尺寸600x800
沟槽快装管水处理管道接头304不锈钢
图片尺寸681x920
unf螺纹标准的全系列液压管接头(卡套式,焊接式,扩口式),管夹(尼龙
图片尺寸650x506