焦耳小偷升压220v

深度解析焦耳小偷电路如何榨干每一节废旧干电池
图片尺寸477x400
基于mosfet的焦耳小偷电路提升电压
图片尺寸395x289
焦耳小偷——经典升压电路diy
图片尺寸600x450
先进版本的焦耳小偷电路doc34页
图片尺寸792x1120
用三个元件制作焦耳小偷电路,1.5v升压30v.
图片尺寸866x540
焦耳小偷——经典升压电路diy
图片尺寸4160x3120
焦耳小偷经典升压电路diy
图片尺寸1821x1080
简单焦耳小偷电路
图片尺寸500x367
新人试着学做焦耳小偷(拆灯泡取元件)
图片尺寸3264x2448
焦耳小偷 实例疑问
图片尺寸760x434
关于焦耳小偷问题
图片尺寸816x612
焦耳小偷经典升压电路diy
图片尺寸1805x1072
干电池终结者洞洞板搭一个焦耳小偷榨干所有废电池
图片尺寸1280x960
diy 焦耳小偷(即直流升压电路)
图片尺寸512x384
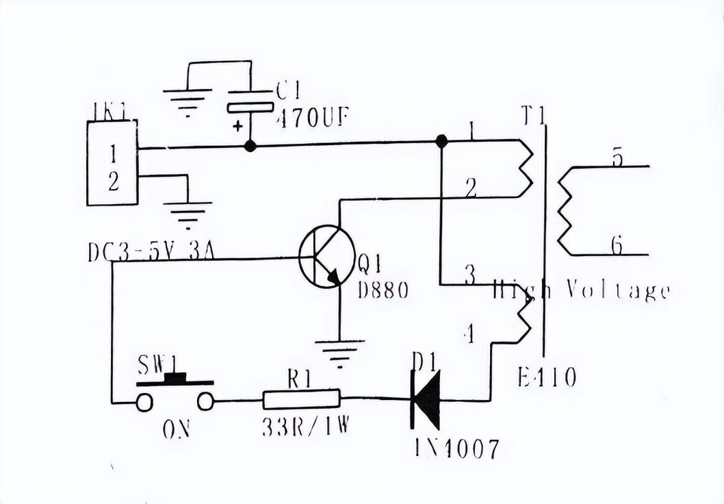
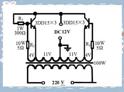
带升压器逆变到220 输入端12v直流 升压器是12-220v
图片尺寸593x359
焦耳小偷是不是输入越大输出就越大啊.
图片尺寸648x486
焦耳小偷电路 电子爱好者自制diy 电子制作 教学试验
图片尺寸3264x2448
一种焦耳小偷电路
图片尺寸640x582
先进版本的焦耳小偷电路doc34页
图片尺寸792x1120
试做焦耳小偷
图片尺寸650x765