煤的分类以及图片

我国煤炭分类
图片尺寸640x452
(⊙o⊙)哇,原来煤可以有这么多分类.连老师都区分不出呦!
图片尺寸1200x1200
煤炭不同方式分类
图片尺寸1871x1186
最新中国煤炭分类及用途大全
图片尺寸860x503
煤炭分类ppt
图片尺寸1080x810
无忧文档 所有分类 工程科技 能源/化工 化工导论ppt 第11页 (共70页
图片尺寸1080x810
中国煤炭博物馆,一次新奇刺激的矿井之旅
图片尺寸557x366
中国煤分类和各主要工业国的煤炭分类均属于实用分类,以下详细介绍
图片尺寸600x482
中国煤炭分类分级表
图片尺寸800x1132
20100812煤炭行业培训_ver2ppt 煤碳分类简表 中国煤炭分类简表: 类别
图片尺寸1271x901
中国煤炭分类简表
图片尺寸1654x2340
煤炭的分类
图片尺寸1771x1219
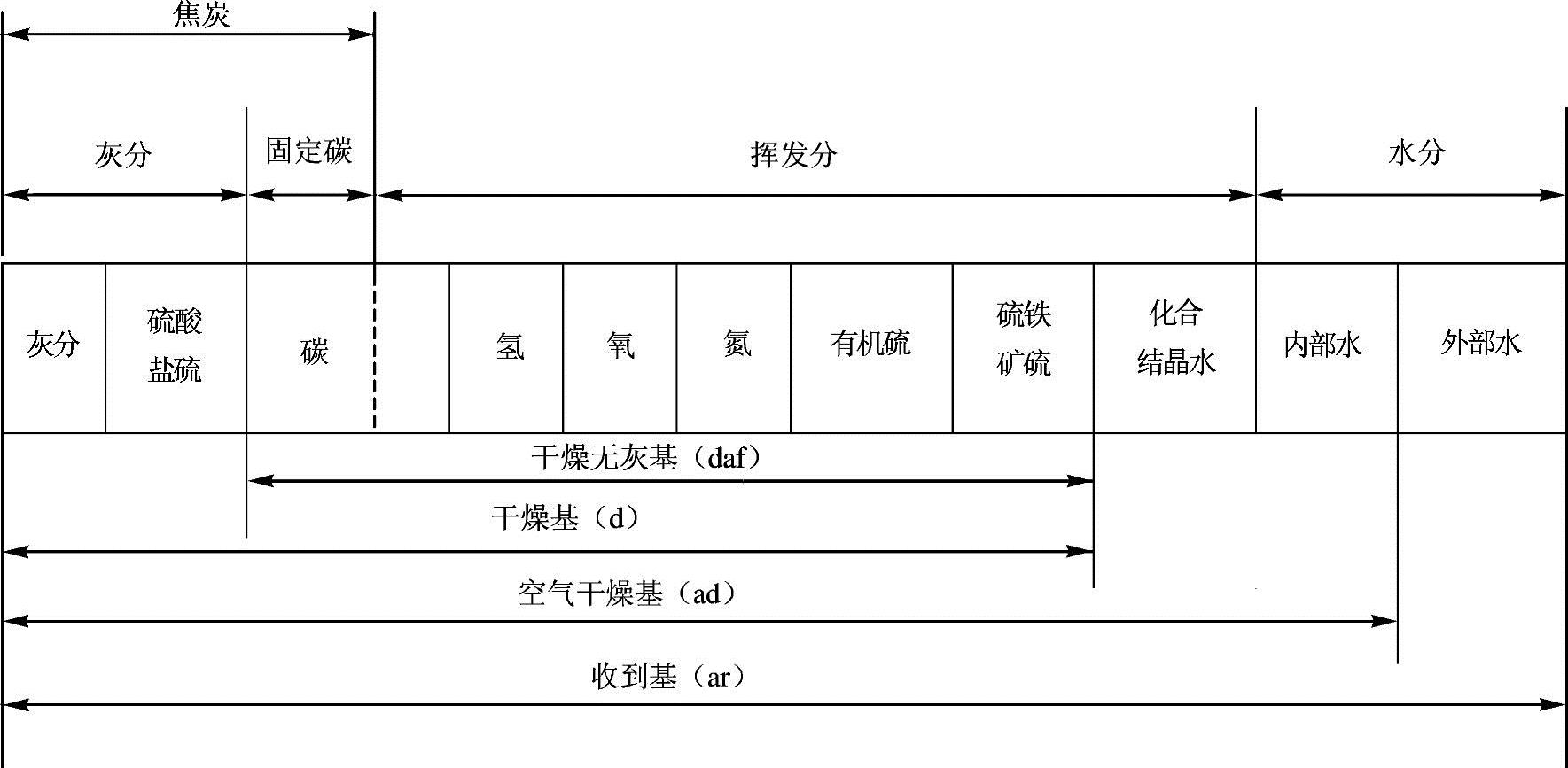
图1-1 煤的成分图解
图片尺寸1769x867
中国煤炭分类简表
图片尺寸893x731
"司空见惯"的煤,你知道多少?
图片尺寸1080x810
煤的分类 根据煤化程度将煤分为: 泥煤,褐煤,烟煤和无烟煤四类.
图片尺寸1080x810
煤的分类和用途ppt课件_第1页
图片尺寸920x518
煤炭分类示意图煤炭可以分成无烟煤,烟煤和褐煤,其中无烟煤煤化程度高
图片尺寸522x358
身为山西人,你知道煤炭有哪些种类吗 金融知识 第6张
图片尺寸640x396
贫煤 长焰煤 瘦煤 肥煤 碳煤 无烟煤 气煤 褐煤
图片尺寸1000x309