燃气系统图

燃气守护神:燃气管网安全运行监测解决方案
图片尺寸1553x913
一种燃气智能报警系统
图片尺寸2015x1139
ig541混合气体灭火系统
图片尺寸1012x836
安装在低压燃气系统管道上的燃气自闭阀,可实现当管道供气压力出现欠
图片尺寸1071x834
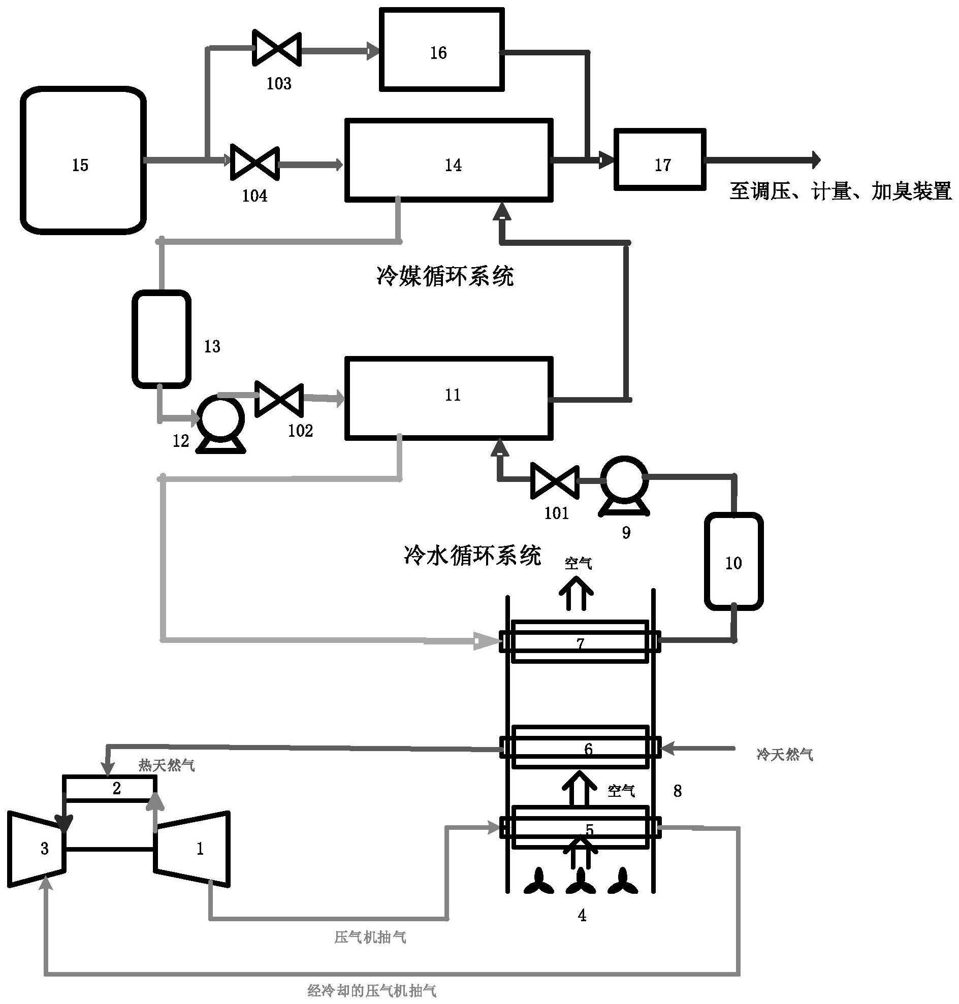
一种利用燃气轮机废热的lng气化系统
图片尺寸1888x1977
使用工业dtu打造scada燃气系统,以极短的时间完成智慧升级
图片尺寸1472x916
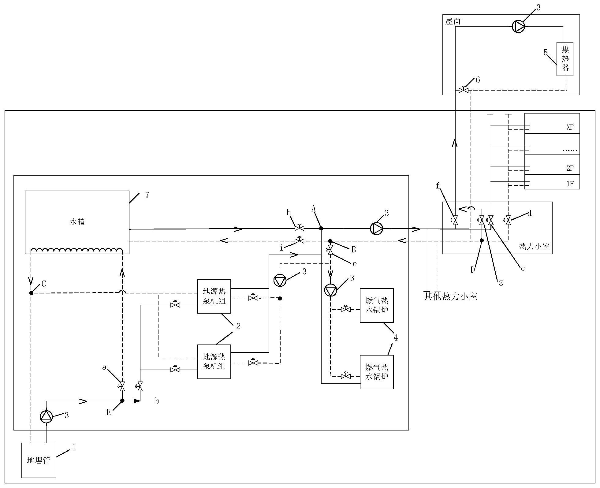
一种燃气锅炉耦合热泵,光热跨季节储热的供热系统
图片尺寸1961x1595
居民用气输配系统示意图一,燃气支管支管是否有漏气,锈蚀,管道支撑
图片尺寸660x542
太阳能和燃气热水器串联安装全攻略
图片尺寸1280x887
天然气管网系统介绍
图片尺寸869x572
燃气泄漏的臭味是什么味道?
图片尺寸1273x1280
刚刚,胶州市住房和城乡建设局发布重要通告
图片尺寸1080x991
新浪汽车>汽车看点>自媒体>正文>蒸汽锅炉管路系统示意图:燃气锅炉
图片尺寸694x484
🚨stm32燃气报警系统🔧
图片尺寸1269x875
实验室气路系统:安全高效新布局💥
图片尺寸911x500
海洋卫士®船用lng供气系统
图片尺寸1866x1078
广东高层住宅项目燃气及管道系统设计施工图
图片尺寸610x432
实验室气体供应系统的优势与细节
图片尺寸1467x570
燃气锅炉水汽系统工作原理详解
图片尺寸1018x800
图片尺寸848x1672