燕钢彭占东
名称:罗庄区宇辰庆典策划服务部 商家所在地: 联系人姓名:彭占东
图片尺寸562x750
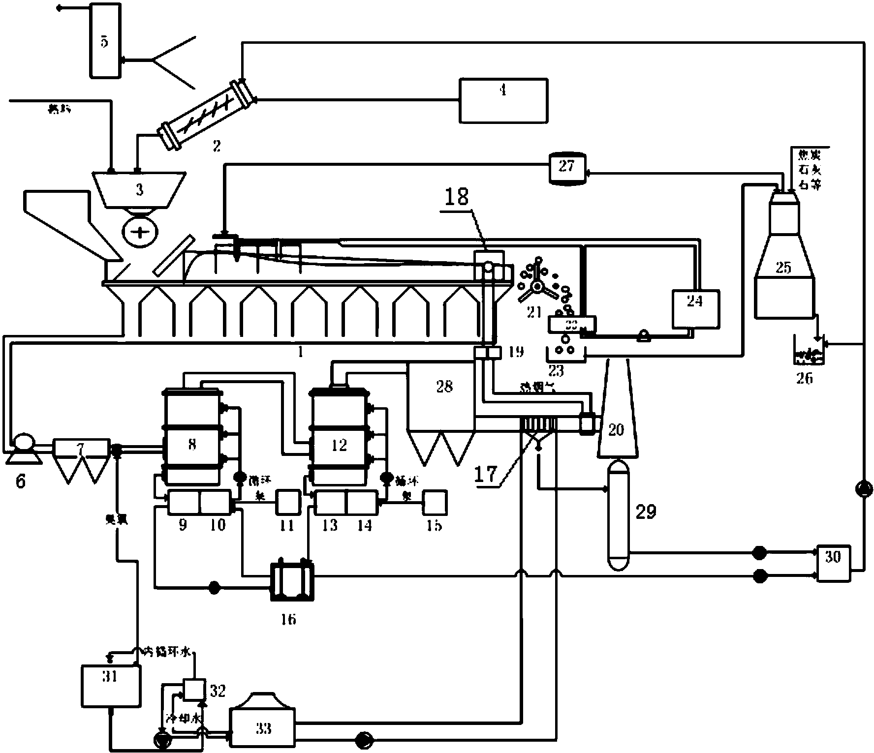
cn108706784a_一种处理烧结烟气脱硫脱硝废水的系统和方法在审
图片尺寸1776x1531
猜你喜欢: