狮跑cd机电源图

09款起亚狮跑的cd机接线图
图片尺寸893x1171
趣谈cd机摩机
图片尺寸791x580
附:狮跑cd后面的接线图
图片尺寸700x541
发一个狮跑cd接线图有用的快来看
图片尺寸700x699
出个09狮跑cd机头
图片尺寸700x394
出狮跑cd机
图片尺寸700x525
2009年东风悦达起亚狮跑电路图
图片尺寸605x601
求狮跑原车cd
图片尺寸700x525
电源板电路图_【家电维修资料网】金桥电子网-空调,冰箱,彩电,洗衣机
图片尺寸812x575
20152016款起亚狮跑原厂电路图下载
图片尺寸1678x1330
狮跑电路图
图片尺寸1080x810
起亚狮跑cd机发货前完好
图片尺寸448x252
20152016款起亚狮跑原厂电路图下载
图片尺寸1676x1334
求狮跑cd机,我山东的,有出的联系我
图片尺寸700x394
求狮跑cd机,我山东的,有出的联系我
图片尺寸700x394
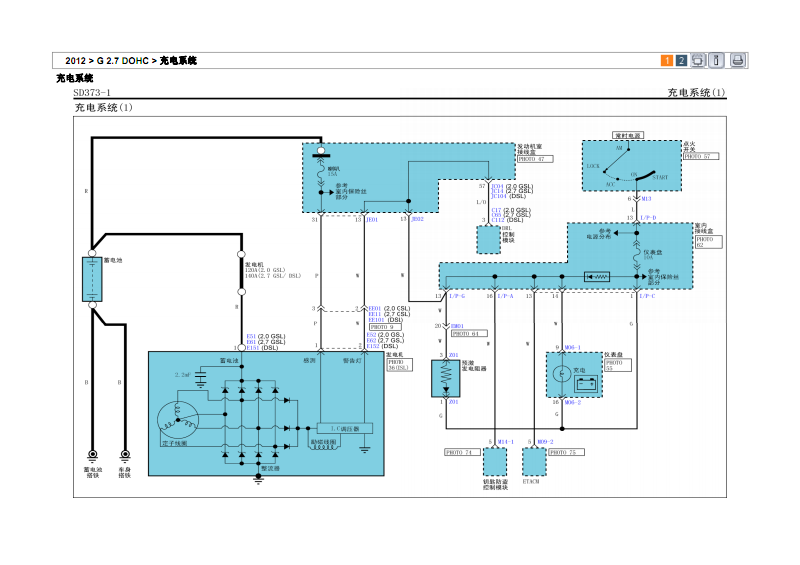
2012年东风悦达起亚狮跑(kmc)g2.7 dohc充电系统电路图.pdf
图片尺寸800x565
帮同事起亚老锐欧改狮跑cd机多图申精
图片尺寸400x300
东风起亚狮跑车控制电路
图片尺寸1746x2238
狮跑改赛拉图cd机
图片尺寸700x1123
我想买13款狮跑的cd机谁有啊
图片尺寸700x525