环保设备图纸

绿色环保与垃圾处理机图纸下载_日常用品图纸 - 沐风网
图片尺寸642x448
88 kb,dwg格式) 机械cad图纸
图片尺寸803x544
一种用于环保设备的废气处理输送装置的制作方法
图片尺寸443x383
环保设备技术图纸.环保设备技术图纸,定做三维图,激光切割机排 - 抖音
图片尺寸1223x861
一种转炉烟气超净除尘系统及其工艺
图片尺寸2711x1430
清远喷漆房废气处理设备方案,广东恒峰蓝环保制造商-恒峰蓝vocs废气
图片尺寸650x400
某废气净化塔30000风量设计cad全套施工图甲级院设计
图片尺寸1020x1440
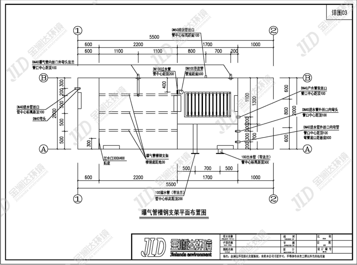
一体化污水处理设备设计图纸(环保污水处理设备生产图纸)
图片尺寸1154x856
除尘器设备设计图下载(420.16 kb,dwg格式) 机械cad图纸
图片尺寸650x447
2d/3d图纸模型 化工及环保设备图纸 f25-4型电除尘器总图.
图片尺寸1200x800
焚烧炉废气处理环保装置制造方法及图纸
图片尺寸783x1000
某企业双水路环保滚筒冷渣机总图下载_工业/农业机械_机械图纸 - 机械
图片尺寸820x574
供应广东潮汕编织袋造粒厂家废气处理成套设备
图片尺寸724x489
一种废气净化环保设备制造技术
图片尺寸849x1000
一种智能生活污水处理装置
图片尺寸1961x1253
cn212838643u_一种立式环保水喷射真空机组
图片尺寸1973x1275
涂装废气设计 - 环保图纸 - 沐风网
图片尺寸629x563
催化燃烧设备图纸
图片尺寸1010x489
30平米(三电场)静电除尘器装配图纸环保dwg图
图片尺寸1011x732
100t/d垃圾渗滤液处理回用工艺图纸- 环保图纸 - 沐风网
图片尺寸757x555