球墨铸铁组织

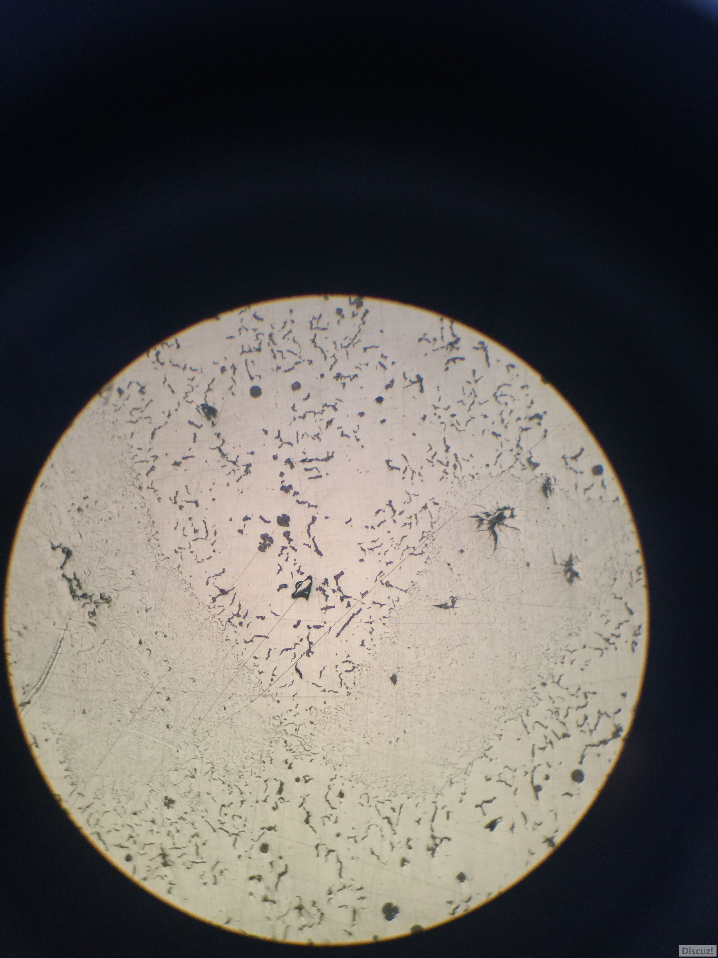
球墨铸铁金相组织分析求助
图片尺寸2584x1936
图8-5 球墨铸铁的显微组织
图片尺寸1683x787
本发明涉及一种铸态全铁素体球墨铸铁的生产工艺
图片尺寸1000x754
球墨铸铁的显微组织
图片尺寸1080x810
第七章铸件宏观组织_第2页
图片尺寸920x690
球墨铸铁成分的组织和性能,( 1) 分 成.6~338.%,c .2~22.8si%,0.~06.
图片尺寸1080x810
大神来了聊城大学磨出来的全国一等奖
图片尺寸846x634
球墨铸铁金相组织分析求助
图片尺寸2584x1936
球墨铸铁金相铁素体图谱
图片尺寸920x784
ppt球墨铸铁与蠕墨铸铁金相图谱
图片尺寸960x720
风电球墨铸铁冲入法球化简化处理工艺
图片尺寸1000x755
球墨铸铁的不明组织
图片尺寸2448x3264
无忧文档 所有分类 球墨铸铁金相缺陷 从金相组织方面无法具体判别球
图片尺寸600x480
强韧化 工程 应用 f g片 f p g片 p g片 灰口铸铁的显微组织 强化理论
图片尺寸1080x810
中锰抗磨球墨铸铁金相图谱pdf15页
图片尺寸792x1120
ppt球墨铸铁与蠕墨铸铁金相图谱
图片尺寸960x720
有关研究灰铸铁和球墨铸铁金相显微镜产品请点击》》》www.shpzgd.
图片尺寸600x252
图7-5 可锻铸铁的显微组织2.
图片尺寸1300x516
二,球墨铸铁的组织
图片尺寸1080x810
热处理后铁素体含量大于95%,满足qt400-18高韧性球墨铸铁对组织的要求
图片尺寸328x446