球阀门结构

100x 遥控浮球阀,法兰遥控浮球阀,广州富山遥控浮球阀_阀门栏目_机电
图片尺寸363x295
球阀的结构型式与技术要求
图片尺寸700x537
球阀结构图
图片尺寸916x1001
自由浮球式疏水阀
图片尺寸800x1132
burkert球阀的分类结构示意图
图片尺寸344x290
遥控浮球阀的型号--沪山阀门制造(上海)有限公司
图片尺寸451x297
高温球阀
图片尺寸930x554
浮球阀,h724x-浮球阀-上海阀门生产商-沪山阀门制造(上海)有限公司
图片尺寸585x358
球阀的结构型式与技术要求
图片尺寸700x492
100x遥控浮球阀内部结构图及零部件材料
图片尺寸319x284
此时浮球在其最低位置阀门关闭
图片尺寸411x329
铜球阀结构图
图片尺寸429x292
方便每个新老客户了解认识球阀的结构知识,下面台臣阀门q41f-16p
图片尺寸600x399
自由浮球式蒸汽疏水阀使用说明-上海始高阀门有限公司
图片尺寸800x687
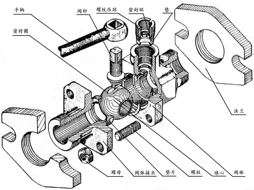
球阀的结构设计
图片尺寸820x614
进口气动陶瓷球阀结构特点
图片尺寸781x706
q41f-16c-法兰浮动球阀-上海锐茨阀门制造有限公司
图片尺寸500x431
9—防静电结构3,当阀门处于关闭位置时,进口端的介质力作用在球体上
图片尺寸600x522
100x遥控浮球阀的工作原理与特点_阀门知识-中国·华光阀门有限公司
图片尺寸476x355
石油,石化及相关工业用的钢制球阀 - 阀门网.com 提供专业标准的信息
图片尺寸417x313