理想电流源

图6-6 而理想电流源也就是恒流源,它的内阻趋于无穷大,此时它的输出
图片尺寸908x455
图1-24 理想电流源
图片尺寸960x405
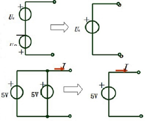
理想电压,电流源互相等效?
图片尺寸711x542
可调电流源
图片尺寸600x600
理想电压源的内阻是0理想电流源的内阻是无穷大
图片尺寸537x347
专升本电路第二章理想电流源的等效变换
图片尺寸1067x667
什么是理想电压源和理想电流源详解kiamos管
图片尺寸400x174
理想电压,电流源互相等效?
图片尺寸776x504
精密电流源
图片尺寸660x660
电路分析基础7理想电压源和理想电流源1
图片尺寸926x698
理想独立电流源
图片尺寸396x229
理想独立电流源
图片尺寸417x298
理想电流源电力名词
图片尺寸498x418
供应10v2000a直流恒流源_可调直流电流源_直流稳压电源
图片尺寸480x319
叠加原理和理想电压源理想电流源ppt课件
图片尺寸920x690
叠加原理和理想电压源理想电流源1ppt课件
图片尺寸920x690
1,理想电流源偏置下的理想源随特性
图片尺寸1204x1238
第2章简单电阻电路分析2理想电压源电流源的串并联和等效变换
图片尺寸920x690
理想电流源和电压源如图,内阻一个开路(并联内阻无限大)一个通路(串联
图片尺寸720x1280
这个理想电流源的电压的参考方向为啥不是和标注的电流方向一致的?
图片尺寸743x444