甘油工艺流程图

甘油工艺流程图
图片尺寸920x690
甘油工艺流程图ppt模板
图片尺寸1080x810
▌工艺流程图密封,置阴凉干燥处▌储存方式保质期24个月.
图片尺寸811x1040
甘油工艺流程图ppt
图片尺寸1080x810
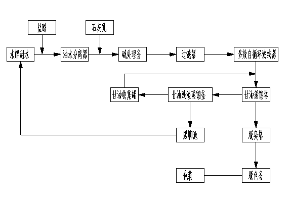
甘油发酵工艺流程图
图片尺寸820x578
甘油制备12丙二醇的系统和方法与流程
图片尺寸1000x611
一种胶原蛋白肽乳粉制备时的甘油析出方法与流程
图片尺寸586x1000
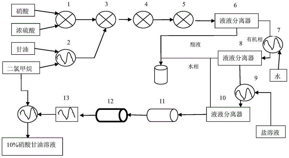
工艺,通过艰苦的创新,在硝酸甘油的绿色制剂连续化生产方面取得了预料
图片尺寸1000x548
食用油工艺生产流程图
图片尺寸632x904
甘油蒸发车间工艺流程图
图片尺寸881x624
高效新型甘油蒸馏工艺的研究开发报告
图片尺寸573x406
甘油发酵工艺流程图
图片尺寸300x225
制油工艺
图片尺寸834x596
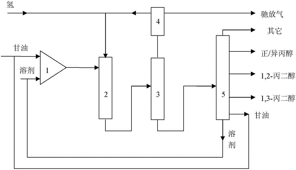
一种甘油加氢制1,3-丙二醇的方法
图片尺寸1000x577
甘油发酵工艺流程图
图片尺寸291x218
工艺流程图_烟台龙门润滑油科技有限公司
图片尺寸1200x1106
爱采购首页 商品专题_树脂 优质回答 醇酸树脂是由多元醇(常用有甘油
图片尺寸647x433
一种橡子生产单宁的方法与流程
图片尺寸1000x730
黑龙江省黑河市逊克县第一中学校2023-2024学年高二
图片尺寸361x165
制得脂肪酸和甘油,该过程包括预处理,水解,分馏,蒸馏,氢化等工艺流程
图片尺寸486x329