电击器电路图

微型强力电击器
图片尺寸2656x1952
一种并联式双晶体管高压电击棒,主要由高频变压器,并联式双晶体管电路
图片尺寸5312x2556
cn109713930b_一种电击器高压脉冲电源有效
图片尺寸1989x1162
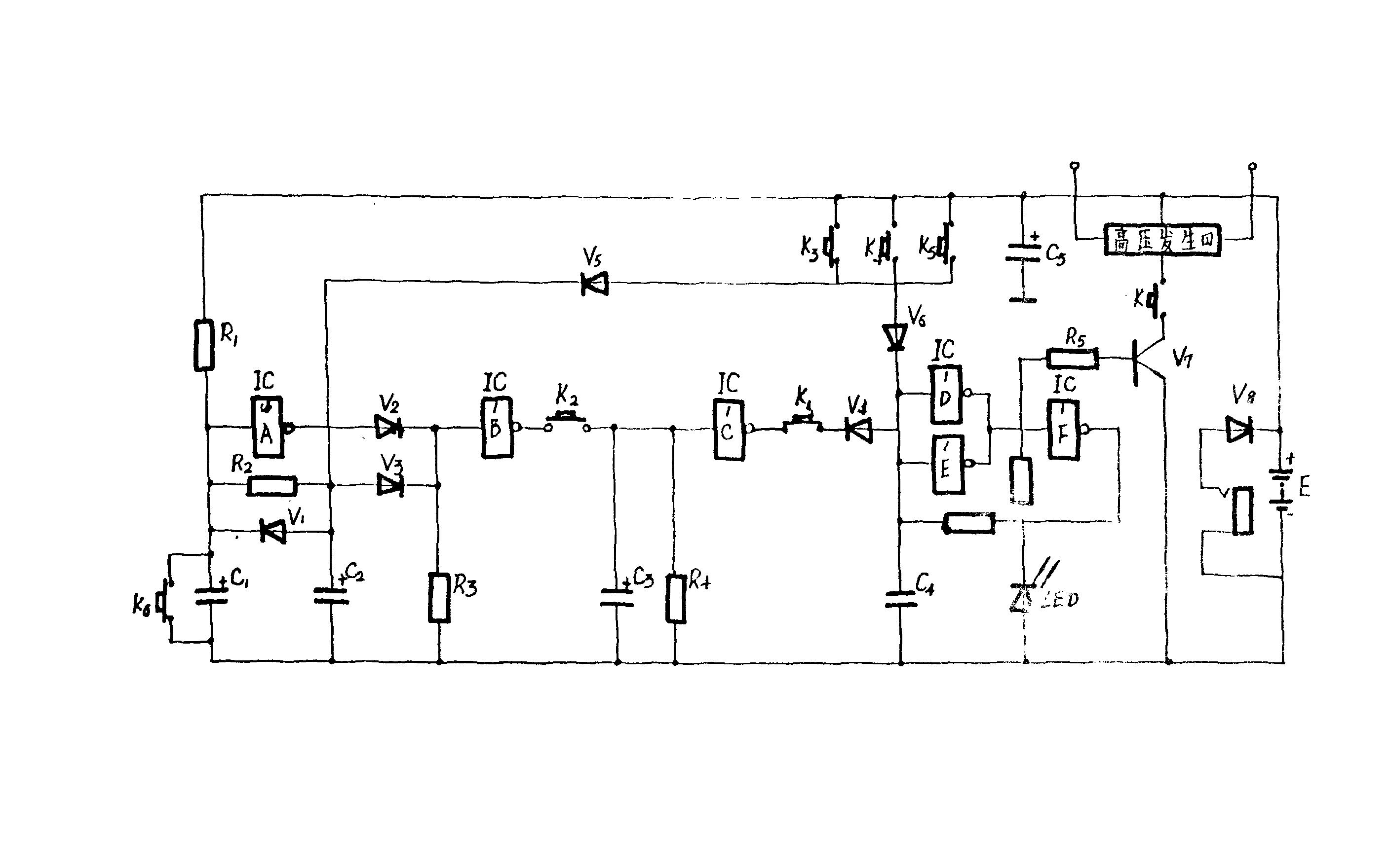
警用电击器充电电路
图片尺寸904x442
cn2213323y_一种警用电击器失效
图片尺寸2208x1536
自制电击棒电路图
图片尺寸450x202
电击枪
图片尺寸827x512
高压电击电路
图片尺寸845x459
设计了一个用ne555的二次升压脉冲电击器电路,请大家来看看
图片尺寸840x362
在现有电击器电路和结构的基础上,增加带有通断功能的密码开关电路来
图片尺寸2816x1760
一种电击器高压脉冲电源的制作方法
图片尺寸1000x577
警用手枪式电击器
图片尺寸1984x1440
cn201878667u_一种利用线路感应供电的电击驱鸟器有效
图片尺寸2000x1126
警用电击器电路图
图片尺寸668x278
自卫防暴电路医疗电路健康电路保健电路|2017-03-31电子体温表电路
图片尺寸590x333
diy一只实用充电式电击蚊拍
图片尺寸364x209
医用新型高精密恒流电刺激器系统的设计
图片尺寸3150x1163
几种简单的直流升压电路
图片尺寸761x277
自制简易电击灭蚊器电路
图片尺寸594x228
手持式低压电子防身电棒
图片尺寸920x1302