电加热器简图

电加热器的制作方法
图片尺寸1000x881
液体管道式电加热器
图片尺寸1600x836
一种实用型导热油炉电加热器的制作方法
图片尺寸1000x617
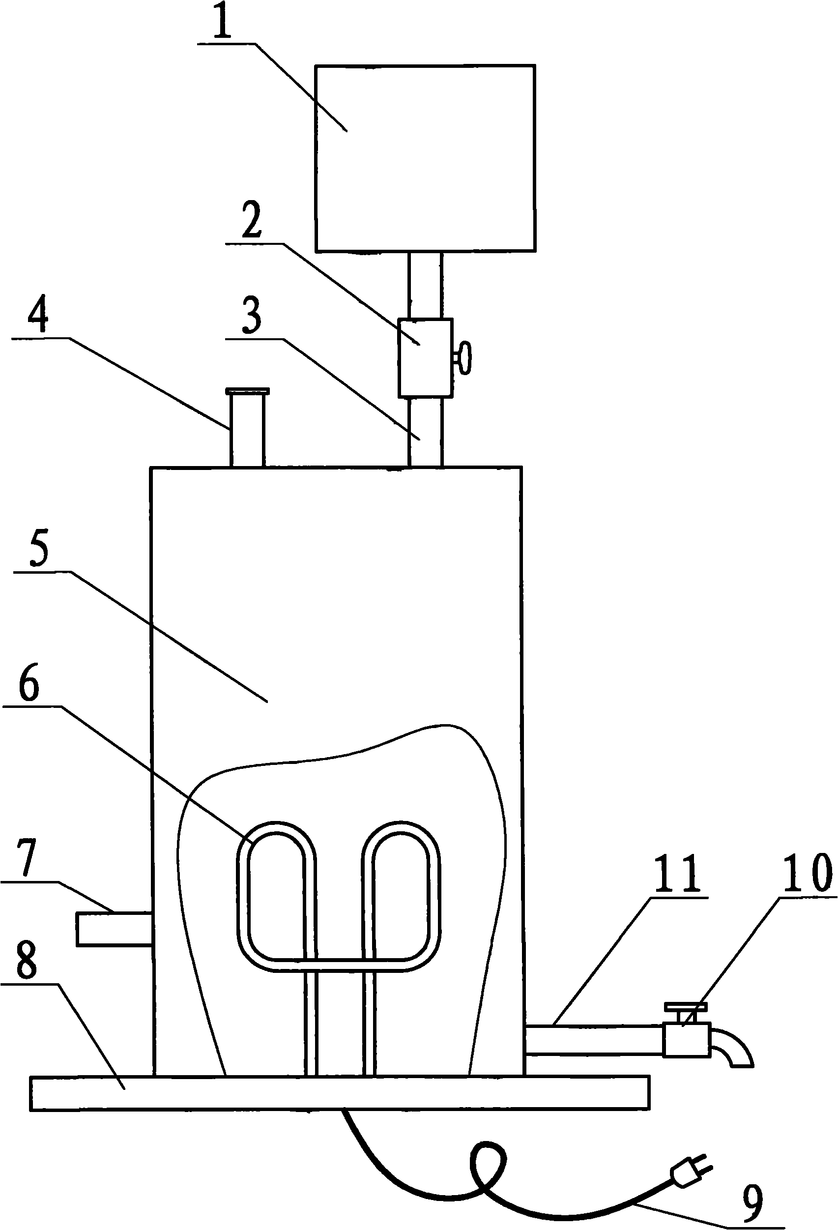
一种电加热煮蛋器的制作方法
图片尺寸1000x935
一种电加热器
图片尺寸1705x2502
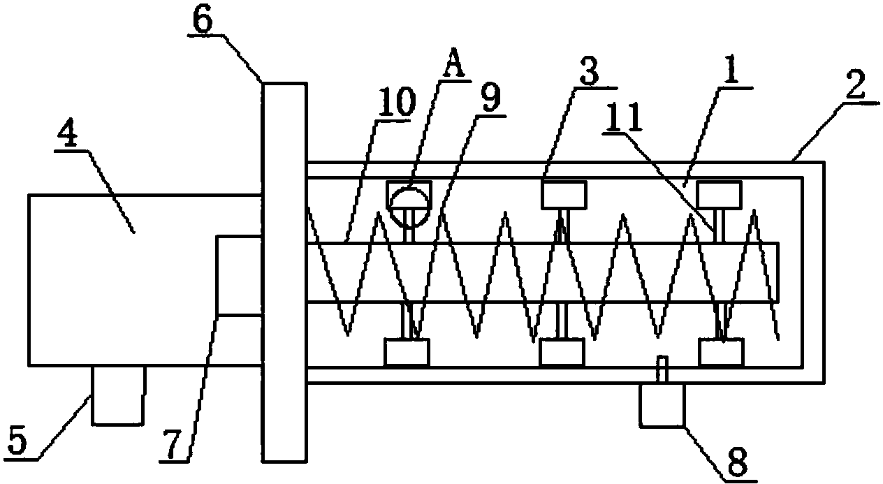
一种快速导热型多路并组分系统电加热器的制作方法
图片尺寸1000x610
一种ptc电加热器及其换热结构的制作方法
图片尺寸732x1000
一种节能防爆电加热器的制作方法
图片尺寸1000x575
cn208012113u_一种散热均匀的翅片式电加热器有效
图片尺寸1264x693
一种四氯化硅电加热器的制作方法
图片尺寸534x483
一种防冲击耐磨损电加热器的制作方法
图片尺寸1000x587
一种可充分加热气体的电加热器
图片尺寸1623x953
电加热设备制造技术,电加热器专利_技高网
图片尺寸1000x856
一种电加热式水浴气化器的制作方法
图片尺寸440x567
一种卧式燃油电加热器的制作方法
图片尺寸1000x733
cn202914207u_一种电加热器有效
图片尺寸1000x654
一种导热油电磁加热装置制造方法及图纸
图片尺寸1000x649
辅助电加热器厂家 辅助电加热器生产厂家
图片尺寸563x584
2015年中考物理试题分类汇编之电加热器解析
图片尺寸334x231
供应 高功率电加热器 风道辅助电加热器 200kw空调风道式加热器
图片尺寸1394x558