电动缝纫机电机接线图

是双速电机还是普通电机,主电路如何进行接线,控制电路该如何分析
图片尺寸640x360
这种电机的接线看到就懵了确实太少见了快来涨见识
图片尺寸640x360
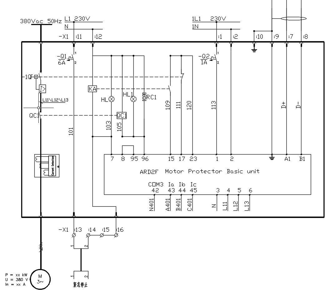
厂电动机设备控制回路接线图由于现代水泥工厂采用的大型电机设备较多
图片尺寸1047x929
倒顺开关接单相电机实物彩图接线电路图20,接触热的单相双控接线方法
图片尺寸1080x1850
600w下挂式无刷永磁伺服节能马达电机工业平车高头机 缝纫机电机
图片尺寸700x1949
220v缝纫机电机和380v开关怎么接线
图片尺寸624x832
高压开关柜耐压仪_试验_电压_变频
图片尺寸671x813
倒顺开关接单相电机实物彩图接线电路图20,接触热的单相双控接线方法
图片尺寸1080x1850
电机马达线圈绕法
图片尺寸583x406
配件塑料老式家用电动锁边机小电机马达皮带传动单面齿形带缝纫机
图片尺寸6399x3044
19,倒顺开关接单相电机实物彩图接线电路图20,接触热的单相双控接线
图片尺寸1080x1850
重工缝纫机优缺点 重工缝纫机的电机声音特别响_接线图分享
图片尺寸750x1000
拆解一个hc180单相串励缝纫机电机
图片尺寸1280x1714
拆解一个hc180单相串励缝纫机电机
图片尺寸1280x1188
用电机综合测试台来对电机进行试验是电机检测中十分重要的一个环节
图片尺寸701x723
综上所述,我们得出结论:频率不能太低的原因:变压器能效率高,电动机
图片尺寸698x663
家用工业缝纫机 电机马达/离合器电机/电动机/包缝机 平缝机
图片尺寸1427x945
ka2 接通电机反转a).ka1 接通电机正转4.
图片尺寸746x1113
220v缝纫机电机和380v开关怎么接线
图片尺寸624x832
1_电动机_kw_齿轮
图片尺寸1280x1706