电动蝶阀工作原理

遥控电动蝶阀带控制箱电动软密封法兰蝶阀性能特点
图片尺寸1000x1000
气动蝶阀气缸内的内部结构
图片尺寸960x540
💡蝶阀的结构特点.
图片尺寸1080x1920
电动蝶阀选型指南
图片尺寸960x540
蝶阀的工作原理,内部结构特征(图22)
图片尺寸640x516
电动蝶阀
图片尺寸366x292
蝶阀和闸阀在不同工况下该如何应用
图片尺寸409x322
气动蝶阀工作原理
图片尺寸709x709
一文了解暖通系统中的蝶阀_控制_阀门_管道
图片尺寸727x395
在工业,建筑及市政工程中,蝶阀作为一种重要的流量控制装置,其种类
图片尺寸486x345
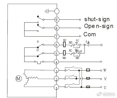
电动蝶阀工作原理及接线图苍松借鉴
图片尺寸920x1302
电动阀,电动蝶阀原理与接线
图片尺寸410x343
电动蝶阀的工作原理
图片尺寸2400x1350
膨胀式蝶阀,粉体蝶阀,三通换向阀, 光圈阀及各种气动阀门,电动阀门等
图片尺寸1920x2023
电动蝶阀的工作原理介绍
图片尺寸493x331
d941x-16c电动蝶阀的型号意义及结构详细图解
图片尺寸560x346
煤矿瓦斯抽排专用电动蝶阀
图片尺寸3024x3024
球阀,蝶阀,闸阀,截止阀,止回阀介绍与工作原理动画
图片尺寸914x720
控制阀的动态工作原理
图片尺寸415x367
电动蝶阀
图片尺寸412x294