电厂凝结水系统图

09第九章 凝结水系统
图片尺寸665x483
凝结水系统培训课件
图片尺寸1080x810
凝结水图
图片尺寸640x480
新晨电厂汽机凝结水系统图 5段抽气 4段抽气 轴加 2#低加 凝结水电动
图片尺寸3156x1747
电厂凝结水系统
图片尺寸560x309
图1:凝结水系统的工艺简图
图片尺寸590x337
凝结水节流基本原理图 fig.
图片尺寸471x304
凝结水,给水ppt
图片尺寸1080x810
2 凝结水系统某自备电厂装机为2 × 330 mw直接空冷供热机组,每台机组
图片尺寸722x499
变频器在火力发电厂凝结水系统中的应用
图片尺寸503x279
凝结水系统变频运行改造措施及效果
图片尺寸945x483
某电厂凝结水精处理系统图,仅供参考!3.
图片尺寸610x432
004凝结水系统图
图片尺寸803x585
凝结水回收装置的系统组成及设备结构
图片尺寸560x523
电厂典型设备系统图
图片尺寸1263x724
排汽 冷却水 冷 却 水 水 冷 凝 水 1 给 水 补给水 4 凝结水
图片尺寸1080x810
300mw汽轮机凝结水系统培训课件ppt
图片尺寸1080x810
国产高压变频器在发电机组凝结水系统的应用
图片尺寸490x224
国产高压变频器在凝结水系统的应用
图片尺寸600x274
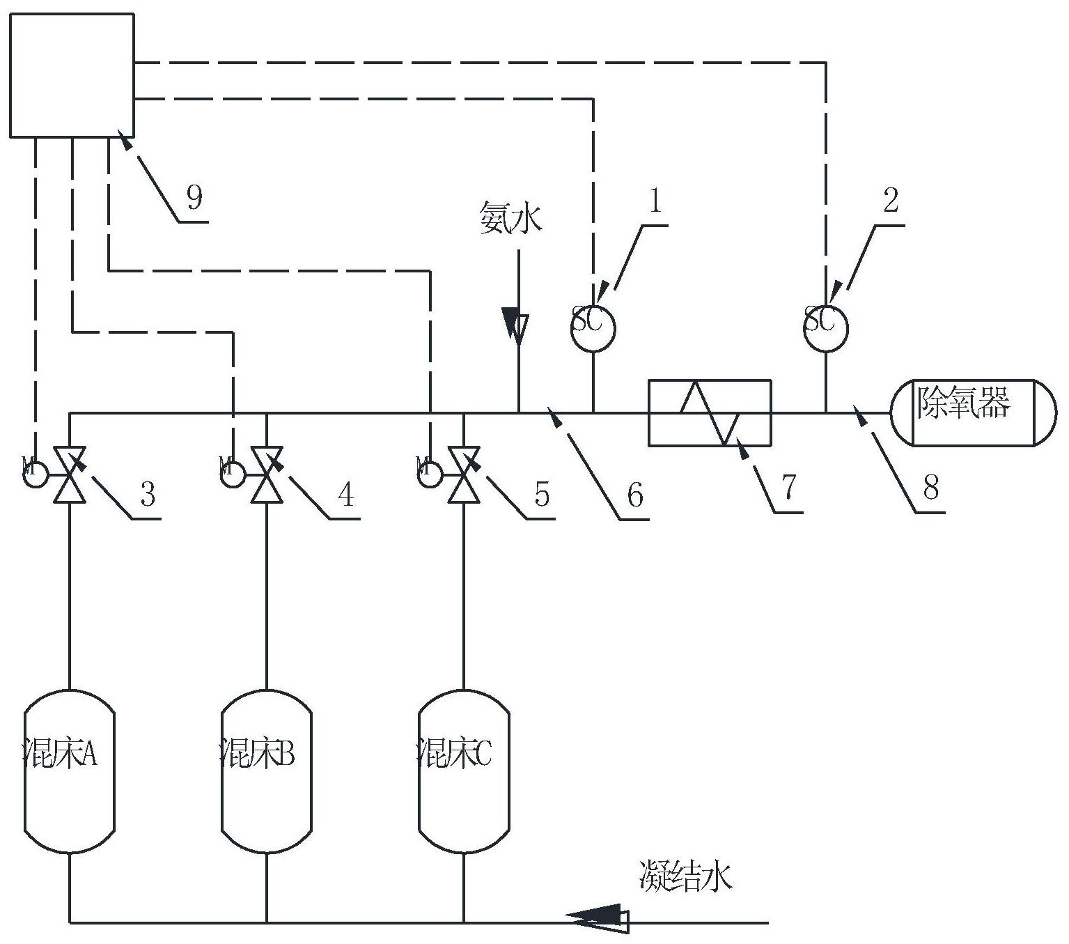
一种发电厂监测凝结水精处理混床树脂泄漏系统及方法
图片尺寸1535x1355