电压放大电路

放大电路的工作原理
图片尺寸1399x987
我想做一个双输入,单输出的放大10倍的电压放大电路.谢谢!
图片尺寸1462x1188
展开全部 一般共基极电路就是典型的电压放大电路 追问 用lm358
图片尺寸811x609
求一个电压放大10倍的运放电路?信号是200mv放到2v
图片尺寸711x516
求教:由运放组成的放大电路的前置电压如何实现?
图片尺寸610x381
电压放大电路
图片尺寸650x366
如何用lm358将0.3v电压放大10倍放大电路
图片尺寸450x418
请问下这个直流放大电路的的输出电压怎样计算?
图片尺寸1167x680
详解单管电压放大电路
图片尺寸431x242
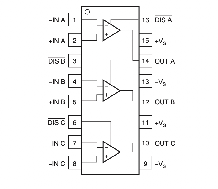
opa3690 具有禁用功能的三路宽带电压反馈运算放大器
图片尺寸704x610
怎么用4558做一个简单的电压放大电路?
图片尺寸500x258
多级放大电路
图片尺寸1540x892
高压_电路
图片尺寸1009x965
放大电路图ppt
图片尺寸1080x810
> 基本放大器电路的讲解虚短和虚断的概念 由于运放的电压放大倍数
图片尺寸1444x1103
实验四 电压并联负反馈放大电路
图片尺寸484x283
设计一个交流电压放大电路: 电源电压 12v 负载电阻2k 最大输出不失真
图片尺寸1949x959
微弱直流电压的放大电路的疑问,谢谢
图片尺寸384x297
6章 放大电路中的反馈题解
图片尺寸2368x1890
怎么将0~10v直流电压线性放大4倍呢?可用什么元器件?
图片尺寸382x536