电压检测电路

求大神解释一下这个电压检测电路的原理,三极管是什么用的?急求,谢谢!
图片尺寸1070x547
555电压检测电路
图片尺寸384x339
需要一个直流70到90伏电压检测电路图,可使一个三极管基极得电触发
图片尺寸963x476
求锂电池电压检测电路
图片尺寸2592x1944
图5 电池电压检测电路
图片尺寸972x741
高压验电器电路
图片尺寸448x356
需要一个直流70到90伏电压检测电路图,可使一个三极管基极得电触发
图片尺寸914x636
检测交流电压吗 菜鸟需要你 发表于 2017-8-10 20:38 跪求转换电路
图片尺寸997x513
555电压检测电路设计
图片尺寸816x458
电压检测电路制造技术
图片尺寸1000x743
lm393保护做保护电路问题
图片尺寸708x444
电压采样电路
图片尺寸450x241
3v或0v给cpld的io口,上面的电路图有什么问题?
图片尺寸602x484
单片机交流电压检测电路请帮分析下电压检测是如何实现的?
图片尺寸1090x450
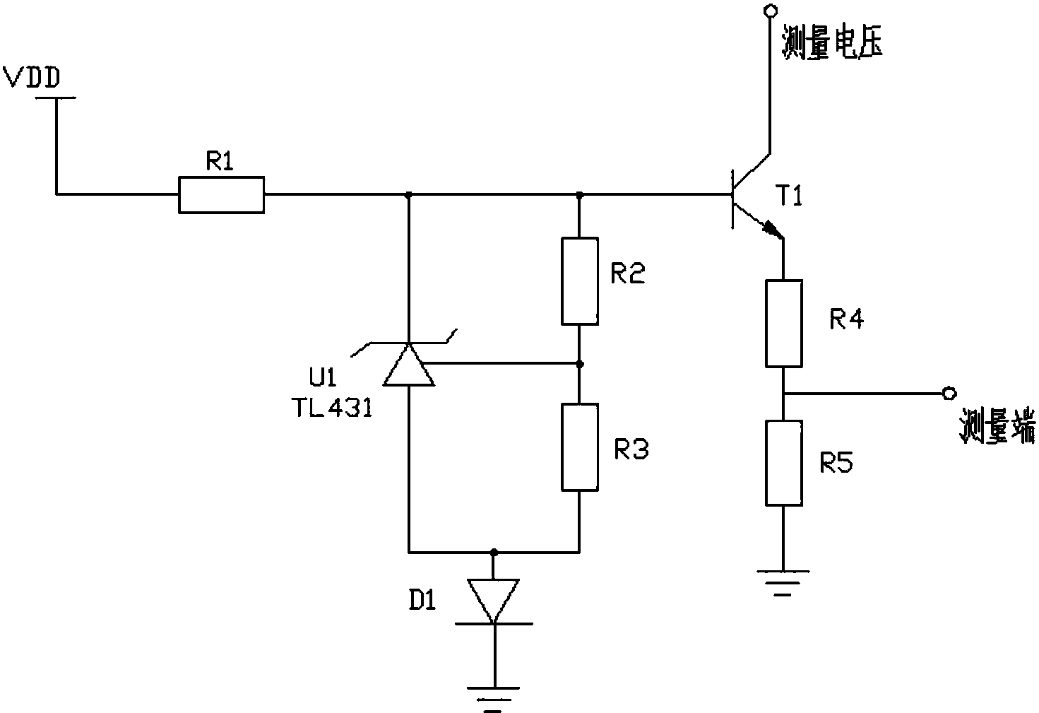
一种测量电压的保护电路
图片尺寸1471x1009
电压检测电路
图片尺寸500x303
低功耗电路电池电压测量pcb设计
图片尺寸508x559
高中物理浅谈用多用电表检测电路故障
图片尺寸681x601
一种采用扫描模式的电压检测电路
图片尺寸1812x1220
精密全波整流一阶rc滤波器检测市电电压
图片尺寸1462x906