电子二分频器电路图

基于ne5532的电子二分频前级电路
图片尺寸658x660
银笛二分频电路图tf201各元件参数多少
图片尺寸643x468
自制有源二分频hi-fi放大器01 - 21ic中国电子网
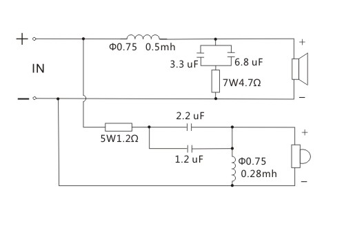
图片尺寸698x386![[音箱资料] 求助各位帮忙看看这二分频器应该怎么改](https://i.ecywang.com/upload/1/img0.baidu.com/it/u=482410119,3712032323&fm=253&fmt=auto&app=138&f=JPEG?w=625&h=500)
[音箱资料] 求助各位帮忙看看这二分频器应该怎么改
图片尺寸800x640
音响二分频器电路图-多谐振荡产生电路图-电子产品世界
图片尺寸1200x928
音箱分频器原理浅释【二分频器样品展示】_不落的腾飞_百度空间
图片尺寸594x559
自制有源二分频hi-fi放大器01-其他电源电路图-电子产品世界
图片尺寸698x386
佳讯kasun原厂全新 发烧音响 音箱高低 二分频器 l-280c
图片尺寸499x357
小媳妇分频器电路图.jpg
图片尺寸700x615
惠威k8二分频器电路图_电子街
图片尺寸400x350
【音响资料】ne5532电子二分频器
图片尺寸544x440
两种有源二分频功放电路01 - 21ic电子网
图片尺寸562x394
自制音响分频器二分频,喇叭3k阻值在8.
图片尺寸445x346
音箱二分频器计算公式,音箱分频器制作方法_音响_电子爱好者
图片尺寸442x283
音响分频器电路
图片尺寸560x500
音箱分频器是如何分频安装的?
图片尺寸750x492
二分频书架,加了分频器,高音有时会有嗞嗞的声音!
图片尺寸431x336
打算改音响加分频器的朋友们注意了,一定要先进来看看!
图片尺寸800x600
m1.2分频器.jpg
图片尺寸800x659
音箱分频器电路图,惠威音箱分频器电路图(音箱分频器电路图原理)
图片尺寸640x526