电工图纸 讲解

通过这些图纸,工程师能够理解电路的设计意图,进行故障排查和系统优化
图片尺寸1080x1390
零基础学电工 #电路 380 线圈的接线图有了,那么220
图片尺寸1242x2690
电工知识 认识小车自动往返电路 原理图和实物接线图 位置开
图片尺寸1440x2624
🔧 基础电工:自锁与指示灯电路详解
图片尺寸1142x853
图片尺寸1023x1466
重庆低压电工实操考试线路图,快来看看你能看懂吗?
图片尺寸2160x3112
电工新手必学:手动顺起逆停电路详解
图片尺寸1147x762
电工知识 认识常用的星三角降压启动电路图
图片尺寸1268x2308
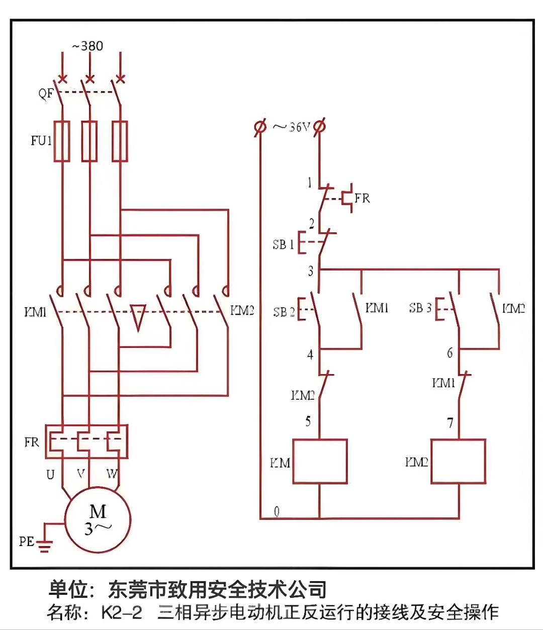
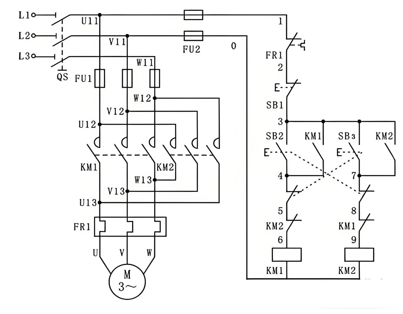
东莞致用安全技术分享:低压电工实操考试科目二k2
图片尺寸1080x1381
图片尺寸1440x2286
电工电路 这个电路的功能是供水上常用的,泵和电磁阀的控制都有两种
图片尺寸1921x1080
图片尺寸1080x1044
图片尺寸1080x1253
电工知识 电工进门必会电路原理图
图片尺寸1440x2624
电工基础:点动与连续运转控制电路详解
图片尺寸1100x769
控制电路图分享#零基础学电工 #如何看懂电路图 #电工知识
图片尺寸1598x1503
这是什么电路图?看似简单,却难倒许多老电工#电工 #零基础学
图片尺寸2048x3644
分享五个常见的电路图纸.#电工知识 #唐山特种工 #唐山电工
图片尺寸1016x1463
图片尺寸1385x1080
电工基础电路解析:五大常见类型
图片尺寸720x960